I've just completed building this circuit (thanks alexan), times 3 for each RGB channel.
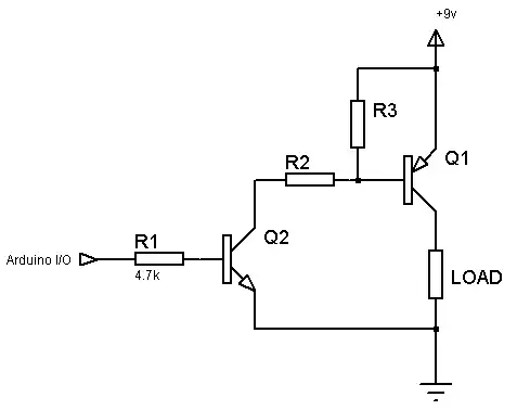
R1 = 4.7k
R2 = 1K
R3 = 10K

This circuit is used to power 4x20mA RGB LEDs in parallel and am happy with the result. They're using 510/470/470 resistors for the RGB channels respectively.
Now I'd like to do the same but power a much higher power LED but I have a few questions before I go ahead and purchase it.
What's the reason for not having a common cathode, instead having +/- for each channel? Can the cathode go to a common ground in my circuit, while each of the anodes go to the emitter of each Q1?
Would the schematic above be sufficient to drive these LEDs? (remember the schematic represents a single channel)
How do I calculate the resistor values for each channel for a 12VDC power supply? Is the 350mA current for all 3 channels or is it per channel?
If it's per channel, then each channel would need 166.67mA of current. The calculation I'm using is:
Typical Forward Voltage R/G/B (datasheet) = 2.4/3.5/3.4
Red = (12V - 2.4V) / 166.67 = 57 Ohm (1.6W)
Green (12V - 3.5) / 166.67 = 50 Ohm (1.4W)
Blue (12V - 3.4) / 166.67 = 51 Ohm (1.4W)
This doesn't seem right to me at all, because the total power comes to 4.4 Watts.
So, where am I going wrong?
