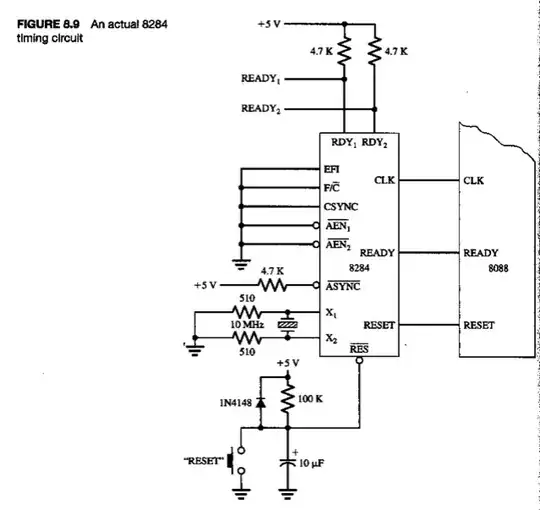
I've designed this circuit using Multism 10.1 :

This circuit is part of clock generator for 8088 uP:

Why does the wave of ch1 of Oscilloscope which represent the voltage across the capacitor take this form?
What is the relationship between that and the delay that is caused by the capacitor? Click here