3

enter image description here

I'm having hard time to understand the motivation behind the common mode voltage in differential amplifiers. I came to learn that common-mode voltage is chosen (v1+v2)/2 where v1 and v2 are input voltages of the differential amplifier with respect to ground.

My question is why engineers developed theoretically something called common-mode voltage And why they chose it particularly as (v1+v2)/2. What is the benefit of all these?

Dmitry Grigoryev
  • 25,816
  • 5
  • 45
  • 107
user16307
  • 12,049
  • 52
  • 184
  • 320
  • Related: http://electronics.stackexchange.com/questions/91812/is-single-ended-amplifier-a-subset-of-differential-amplifier – Alfred Centauri Dec 04 '13 at 00:14
  • 1
    Think about why it is (V1 + V2) / 2. What are you doing when you add n elements together and divide by n? Obviously in this case, n = 2 – krb686 Dec 04 '13 at 00:52
  • 2
    There is no "motivation" behind common mode voltage - it is not something that someone intentionally invented. It is frequently an unwanted effect. It is just a voltage that is common to both signal lines of a differential signal. An ideal op-amp will ignore any signal that appears on both its inputs. – Peter Bennett Dec 04 '13 at 01:26
  • 1
    Like others have said, there is no "motivation" to it. Humans didn't create common mode voltage, it's an empirical observation of how differential amplifiers work based off the way we build them. Nobody defined the common mode voltage as the average between the 2 inputs, it just is. It's a bit like saying why does a PWM signal driving an LED run at 65% duty cycle and a high enough frequency "mimick" an analog 65% brightness? That's just how it works out, our eyes must 'average' the intensity level from sources switching faster than we can perceive. – krb686 Dec 04 '13 at 03:33
  • And the same to the differential amplifier, that's just how the math works out. If you want to read a good real world example, check this out, 2nd page, on the right under Practical Examples of Common Mode Voltages: http://www.dataforth.com/catalog/pdf/an103.pdf – krb686 Dec 04 '13 at 03:34
  • I think that might be a bit confusing. I mean this literally is the simplest thing. Imagine you have a differential amplifier that's amplifying a sine wave signal that varies from -1 to +1 V, then the common voltage is the middle point or "average", which is 0. Now imagine the same signal source, still a sine wave, except it is riding on top of a DC offset, so that it varies from 99V to 101V. Again, the common voltage is literally the common level between both inputs, which is 99 + 101 / 2, or 100 – krb686 Dec 04 '13 at 03:45

3 Answers3

5

The common mode voltage is the average of the two values so that it has these useful properties:

  1. If the input values are at zero voltage, then the common mode voltage zero. (Horse sense: in what useful sense can two zero voltages possibly have a nonzero voltage in common?)

  2. If the same voltage \$\Delta V\$ is added to both inputs, then the common mode voltage changes by \$\Delta V\$, and not by some inconvenient \$f(\Delta V)\$ (or worse, \$f(\Delta V, V_+, V_-)\$). Not even something like \$\frac{2}{3}\Delta V\$. Just \$\Delta V\$. That is what common means! We make a common, equal change to both inputs, and the common mode voltage changes by exactly that amount.

  3. If the voltage \$\Delta V\$ is added to one input, and subtracted from the other, then the common mode voltage does not change. This is rational. We have moved the inputs in opposite directions by an equal amount: there is no common movement.

Let us formalize things slightly and regard the common mode voltage \$V_c\$ as a two dimensional function of the two input voltages. Rule 1 means:

$$V_c(0, 0) = 0$$

and so on. Rule 2 means:

$$V_c(a + c, b + c) = V_c(a, b) + c$$

Note that together with Rule 1, if we substitute \$a = b = 0\$ we also get this:

$$V_c(0 + a, 0 + a) = V_c(0, 0) + a$$

$$V_c(a, a) = V_c(0, 0) + a$$

$$V_c(a, a) = a$$

Rule 3 means:

$$V_c(a + c, b - c) = V_c(a, b)$$

Suppose we accept these requirements as reasonable. Now, can we find a function \$V_c(x, y)\$ which satisfies them, yet which is not the arithmetic mean \$(x + y)/2\$. We can prove that no, the function must be the arithmetic mean.

Let's start with:

$$V_c(a + c, b - c) = V_c(a, b)$$

Next we can take the rule \$V_c(a + c, b + c) = V_c(a, b) + c\$, and apply it by adding \$c\$ to both arguments of \$V_c(a + c, b - c)\$:

$$V_c(a + 2c, b) = V_c(a + c, b - c) + c$$

Then substitute, to obtain this very useful derived rule:

$$V_c(a + 2c, b) = V_c(a, b) + c$$

By symmetry of \$a\$ and \$b\$ we also have:

$$V_c(a, b + 2c) = V_c(a, b) + c$$

The second equation above also gives us this, if we use \$b\$ in the place of \$2c\$:

$$V_c(a, b + b) = V_c(a, b) + \frac{1}{2}b$$

(If you double either of the inputs, the common mode voltage rises by half that input! We are getting there!)

Now let us combine these derived rules with \$V_c(0, 0) = 0\$, by adding \$2c\$ to either parameter:

$$V_c(0, 2c) = V_c(0, 0) + c = c$$

$$V_c(2c, 0) = V_c(0, 0) + c = c$$

In other words:

$$V_c(a, 0) = \frac{1}{2}a$$

$$V_c(0, b) = \frac{1}{2}b$$

Now, we can apply \$V_c(a, b + b) = V_c(a, b) + \frac{1}{2}b\$ to \$V_c(a, 0) = \frac{1}{2}a\$:

$$V_c(a, b) = \frac{1}{2}a + \frac{1}{2}b = \frac{a + b}{2}$$

Thus we show that requirements 1, 2, or 3 make it necessary that the function for the common mode voltage can be no function of two arguments other than their arithmetic mean. And since each of those three properties of the common mode voltage is an incredibly sound and useful idea, disagreeing with them insane; hence the arithmetic mean of the two differential voltages of the signal is the Right WayTM to define its common mode voltage; Q.E.D.

Kaz
  • 20,006
  • 1
  • 39
  • 83
  • do u have an idea why we define the common mode voltage as vcm≡(v1+v2)/2? why not 2(v1+v2)/3? – user16307 Dec 04 '13 at 00:22
  • ^ See updated answer. If vcm=2(v1+v2)/3, what happens to vcm when we add 1 volt to v1 and v2? It goes up by 2/3 volts. And that is a pointless, counterproductive complication. Moreover, it asserts that if we add a volt to both inputs, they have only 0.66V extra in common now as a result. This is an abuse of the English word "common". – Kaz Dec 04 '13 at 03:07
  • I like your rules, but think the derivation might be a little more concise. For any x,y, let d=(x-y)/2 and c=(x+y)/2. We know that CM(-d,d) is zero; applying rule 2, that implies CM(d+c,-d+c) is c. Since d+c=x and -d+c=y, that means CM(x,y) is (x+y)/2. – supercat Dec 04 '13 at 16:38
  • @supercat Changes of variables/coordinates can work wonders, even simple linear ones. That's a lot more concise. :) There had been a time when I often reached for that tool first, but I'm rusty. Feel free to whittle this down to size. – Kaz Dec 04 '13 at 19:02
  • dude u made it like theory of relativity. i thought it is simpler:( – user16307 Dec 04 '13 at 21:11
  • @user16307 It is simple if you do it supercat's way. :) – Kaz Dec 04 '13 at 22:15
2

My question is why engineers developed theoretically something called common-mode voltage And why they chose it particularly as (v1+v2)/2. What is the benefit of all these?

If you have two voltages, you could specify them any number of ways. The most obvious way would be simply:

$$ \begin{align} V_1 &= \text{something} \\ V_2 &= \text{something else} \end{align} $$

However, this isn't the most convienent method for all applications. Consider this circuit, which is a rather typical application of a differential amplifier:

schematic

simulate this circuit – Schematic created using CircuitLab

A real circuit doesn't actually have capacitors C1 or C2, or inductors L2 or L3, but these are the unintentional capacitive and inductive couplings to other stuff (adjacent cables, that nearby computer monitor, distant RF radiators, ...) that your circuit must necessarily have by virtue of existing in a real environment.

Now, given the two voltages \$V_1\$ and \$V_2\$, we have the problem of figuring out what \$V_{signal}\$ was.

Well, since this is a differential amplifier, that's easy. It's the difference between the voltages, or the differential mode voltage:

$$ V_{dm} = V_2 - V_1 $$

But that's not enough information to know what the two voltages actually are. We need something else. That something else is the common mode voltage:

$$ V_{cm} = \frac{V1 + V2}{2} $$

You might wonder why this, when something simpler (such as any one of simply \$V_1\$ or \$V_2\$ would also do). The reason is that this is the "average" or "middle" or "center" voltage of \$V_1\$ and \$V_2\$, or in other words, the difference from \$V_1\$ or \$V_2\$ to \$V_{cm}\$ is the same:

$$ |V_1 - V_{cm}| = |V_2 - V_{cm}| $$

This has the convenient property that if \$V_1\$ and \$V_2\$ are switched, \$V_{cm}\$ remains the same.

Phil Frost
  • 57,310
  • 18
  • 145
  • 267
  • but why they model this circuit again and use (v1+v2)/2 as a common mode. they obviously create a new equivalent circuit with a common mode voltage with (v1+v2)/2. have a look at this is what i mean: http://i.stack.imgur.com/orhxJ.jpg – user16307 Dec 03 '13 at 23:53
  • @user16307 I'm not really sure what you are asking, but in the image you have added, $V_{cm}$ is not the common mode voltage; $V_{cm} + \frac{V_{id}}{2}$ is. – Phil Frost Dec 03 '13 at 23:57
  • ok i uploaded a new figure in my question. pls have a look at it. im asking why they chose common mode voltage particularly as (v1+v2)/2. is that a derivation or a choice? – user16307 Dec 04 '13 at 00:04
  • here is the definition: "The difference between the “average voltage” of the two differential inputs and the input ground is referred to as the signal’s Common Mode. Mathematically, the Common-Mode voltage is defined as (v1+v2)/2." Im asking why is that so? – user16307 Dec 04 '13 at 00:10
  • @user16307 because in the circuit above, the definition of "common mode" is precisely all the noise voltages, and "differential mode" is precisely the signal. – Phil Frost Dec 04 '13 at 01:20
  • are inputs v1 = -v2 in a differential amplifier? – user16307 Dec 04 '13 at 21:43
  • @user16307 when the common-mode voltage is exactly 0V, yes. – Phil Frost Dec 04 '13 at 21:44
  • but if i apply v1 input as 100 mV and to v2 input as 10mV? what happens what is the common voltage? – user16307 Dec 04 '13 at 21:52
1

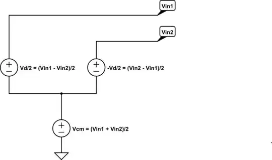
The reason is because an ideal differential amplifier amplifies the difference between the input voltages. Thus we define the differential input voltage,

$$v_{id} \equiv v_1 - v_2$$

If we define the common mode input voltage as

$$v_{icm} \equiv \dfrac{v_1 + v_2}{2} $$

Then, it easy to see that

$$v_1 = v_{icm} + \frac{v_{id}}{2}$$

$$v_2 = v_{icm} - \frac{v_{id}}{2}$$

So that we can replace the input voltage sources \$v_1\$ and \$v_2\$

enter image description here

With

enter image description here

The reason we do this is that non-ideal differential amplifiers always have some non-zero common mode gain. By a change of basis from the \$v_1, v_2\$ "coordinates" to the \$v_{icm}, v_{id}\$ coordinates, the analysis of, e.g., BJT differential amplifiers is much easier.

Alfred Centauri
  • 26,630
  • 1
  • 25
  • 63
  • but why do we define the common mode voltage as vcm≡(v1+v2)/2? why not 2(v1+v2)/3? – user16307 Dec 04 '13 at 00:14
  • @user16307, haven't I already answered that above? Isn't it clear from the equations and diagrams that if the common mode voltage is zero, all that should be left is the differential input voltage, i.e, the inputs should be equal and opposite. And, if the differential voltage is zero, all that should be left is the common mode voltage, i.e., the inputs are equal. Honestly, this should be plain to see. – Alfred Centauri Dec 04 '13 at 00:18
  • i think your definition must be very good. but i just dont understand this concept. – user16307 Dec 04 '13 at 00:19
  • @user16307, OK, let's try it this way. The common mode voltage is that voltage the inputs have in common. Now, if there is no difference at all in the input voltages, then $v_1 = v_2$ so the input is pure common mode: $v_1 = \frac{v_1 + v_2}{2} = \frac{v_1 + v_1}{2} = v_1 $. Does this help? – Alfred Centauri Dec 04 '13 at 00:26
  • i need to start from the beginning to understand where im stuck and wrong. lets say i have a sensor outputting 100mV dc. it has 2 terminals and i connect + terminal to instrumentation amplifier's v1 input and - terminal to instrumentation amplifier's v2 input. is that right? im not sure about this step. – user16307 Dec 04 '13 at 00:36
  • @user16307, that sounds fine so far. In a perfect world, the instrumentation amplifier would see a pure differential input. In a non-perfect world though, a common mode voltage can be induced on the connecting wires due to, e.g., time varying electromagnetic fields. In other words, it is almost always the case that common mode voltages are the undesired interference from the environment. Typically, this interference affects each wire in the same way which is why it is called common mode. – Alfred Centauri Dec 04 '13 at 00:53
  • ok lets say everything is perfect. so now v1 is 100mV and v2 is 0mV. and the differential amplifier will measure 100-0 = 100mV and amplify this right? – user16307 Dec 04 '13 at 00:56
  • and lets say a noise affected the 2 input wires same way as such 100mV became 110mV and 0mv became 10 volt. so differential amplifier will measure 110-10 = 100 mV again? it will reject that common 10 mV? is that right until now? – user16307 Dec 04 '13 at 01:03
  • @user16307, if you connect the sensor directly to the inputs, there's no ground reference, i.e., the source is floating. – Alfred Centauri Dec 04 '13 at 01:04
  • aha maybe here i have here some misconception.. so if sensor is showing 100mV by measuring with a voltmeter. what is amplifier inputs v1 and v2? – user16307 Dec 04 '13 at 01:06
  • @user16307, with a floating source, the node voltages v1 and v2 are, for a perfect instrumentation amp, arbitrary. All we can say is the v1 - v2 = 100mV. – Alfred Centauri Dec 04 '13 at 01:08
  • ok then let me follow like that lets say there is noise 10mV and the situation at input became (v1+10mV)-(v2+10mV)=(v1-v2)=100mV again where 10mV rejected. is that right? – user16307 Dec 04 '13 at 01:10
  • need to go i will be back tomorrow. many thanks for answers. – user16307 Dec 04 '13 at 01:17
  • so Vcm = 10mV. why from this point we introduce Vcm/2? – user16307 Dec 04 '13 at 21:12
  • @user16307: If there is no common mode voltage, then the voltage on V2 will be of equal magnitude and and opposite polarity of the voltage on V1. For V1 to be 100mV above V2 while V1 and V2 are equal and opposite, V1 must be +50mV while V2 is -50mV. Trying to avoid having things that deliberately affect V1 have equal and opposite effects on V2 will often cause things which unintentionally affect one voltage to affect the other one differently. – supercat Dec 04 '13 at 22:19