3

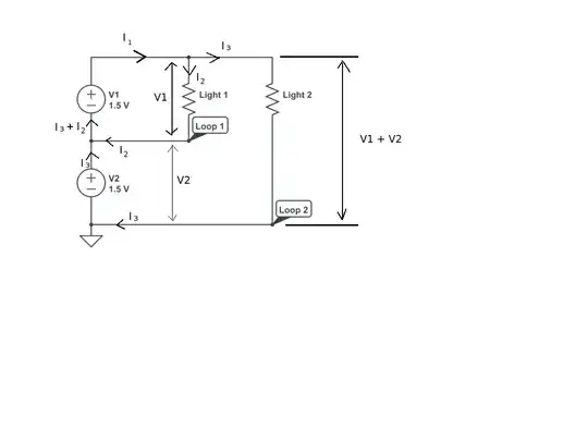
Consider this schematic:

Schematic with two voltage sources

Light 1 has 1.5V across it while Light 2 has 3V across it.

I was explaining to a friend how the points (indicated by Loop 1 and Loop 2) could both be used as a reference point. For example from the "point of view" of Light 1, "Loop 1" could be called ground.

What confused me was when he asked whether electrons (current) can travel both directions at the same time through Light 1.

Normally current flows through Light 1 in a clockwise direction, from V1, returning to V1.

The question he posed is, would any current flow (opposite the current from V1) from V2 through Light 1 and Light 2, back to V2?

I admit, I am stumped.

Edit:

I realize this is a totally basic DC question. If V1 were to become an open, then V2 would have to supply power to both Light 1 and Light 2 in series. (Pretending for the moment that these lights would simply be more dim.)

Given that current from V2 travels through both lights in this series circuit (with V1 open), how is it that the presence of V1 causes current flow from V2 through Light 1 to cease?

If I tried to answer this myself:

Adding the potential difference of V1 makes the node of Light 1 furthest from V2 more positive than the near node, so current will only flow past the point marked "Loop 1" in a clockwise direction. Without V1, the far node has less potential than the near node, so current flows in series.

JYelton
  • 34,119
  • 33
  • 145
  • 265
  • I'm roughly okay with this diagram as is, it was when JY and I started tinkering with it to clarify understanding that things broke. For example, if Light 1 is a diode, and you flipped it around, the circuit would work fine; so if Light 1 is not directional, why does it prefer V1 over V2? Or, if you remove Light 1 (the load, not the wire) V1 shorts, but does Light 2 still turn on? Why or why not? This started with Light 1 requiring 1.5V, and Light 2 requiring 3V, if that changes anything. And I was eventually going to ask things like, do the batteries drain at the same rate? – Scivitri Jul 02 '13 at 23:39
  • @Sciv If we replace Light 1 with a short, then V1 would be providing infinite current as an ideal voltage source, or overheating and dying as a 1.5V alkaline cell. Light 2 should still receive 3V, but with dramatically reduced current. – JYelton Jul 02 '13 at 23:44
  • 1
    @JYelton I don't think that 'infinite current' is the right way to think about shorting Light1 in your schematic. If you short it, the schematic is simply inconsistent, because then you have two points that are directly connected, but forced to be at different potentials. – us2012 Jul 02 '13 at 23:46
  • Maybe consider more fundamentally what voltage is. – Phil Frost Jul 03 '13 at 03:11

4 Answers4

2

V2 is completely irrelevant to Light 1. Light 1 is connected accross a voltage source, so we know the voltage accross it by definition. The current will be V1 / Light1.

Furthermore, Light1 has no effect on the current thru V2. The current thru Light2 is (V1+V2)/Light2. Since V2 and Light2 are in series, that is also the current thru V2.

Note that V1 doesn't show up anywhere in the equations for current thru Light1, and Light1 doesn't show up anywhere in the equations for current thru V2. The two have nothing to do with each other in this circuit.

Olin Lathrop
  • 313,258
  • 36
  • 434
  • 925
  • I guess to refine the question: If I remove V1 from the circuit, then it is the same as having both loads in series with V2. How does putting V1 back into the circuit as shown cause no current from V2 to pass through Light 1 any more? – JYelton Jul 02 '13 at 23:31
  • 1
    @JYelton are you thinking of the method of solving a circuit by superposition? If you're doing that, when you "remove" a voltage source from the circuit you replace it with a short circuit (set the voltage source value to 0). So when solving for the effect of source V2, there's still no current through LIGHT1 because it's shunted by the short-circuit replacing V1. – The Photon Jul 03 '13 at 00:05
  • @ThePhoton I wasn't originally trying to solve the circuit for anything in particular, but Scivitri hurt my brain by asking questions about electronics in a way I've never dealt with before. But I think you nailed it, current flow through the circuit as shown would follow the same pattern as if V1 was a short (not an open). Thanks. – JYelton Jul 03 '13 at 00:18
2

What confused me was when he asked whether electrons (current) can travel both directions at the same time through Light 1.

Well, the answer is yes, and no. Electrons can, and do, travel through Light 1, and in fact all metals, in both directions, all the time. Unless you can manage to cool a piece of metal to absolute zero, then the electrons are wandering around in random directions all the time, much like individual water molecules are wandering about in an otherwise stagnant glass of water.

But, when we talk about electrical current, we are talking about the net flow of electrons. If we say there is a current in some direction, what me mean is than on average, electrical charge (electrons being but one type of such) is flowing on average in that direction.

There may indeed be forces acting on some component that individually try to move current in opposing directions, but what's important is the net force and the resulting net current, much like two teams pulling on a rope in tug-of-war, or two sumo wrestlers pushing against each other. The net force is what determines the motion.

If V1 were to become an open, then V2 would have to supply power to both Light 1 and Light 2 in series. (Pretending for the moment that these lights would simply be more dim.)

Given that current from V2 travels through both lights in this series circuit (with V1 open), how is it that the presence of V1 causes current flow from V2 through Light 1 to cease?

It doesn't. The current in each light doesn't "belong" to either V1 or V2. Who knows, or cares, where each charge carrier came from? Consider what I just described about the electrons wandering around from thermal noise. Also, consider that their movement due to electrical current is relatively slow, and you will see that this is an irrelevant question to ask.

Here's another way to think of it. An open circuit, by definition, allows no current. It's an infinite impedance. A voltage source, on the other hand, passes whatever current is necessary to maintain its voltage. If something else wants to push more current through it, and that won't change the output voltage, it won't resist at all. Thus, it's a zero impedance. V1 does as much to impede the current in V2 as a short circuit would do. But it also must exert some force on the charge in the circuit to supply additional current so that it can create an additional 1.5V of difference across Light 1 and Light 2.

That is, V2 has to push all of the current for Light 2, but it only has to push it over half the electric potential difference (voltage), because V1 is pushing it the other half of the way, in addition to pushing the current needed to power Light 1.

Further reading: Thévenin's theorem, especially the part about "Replace voltage sources with short circuits", and Kirchoff's circuit laws.

Phil Frost
  • 57,310
  • 18
  • 145
  • 267
2

The question he posed is, would any current flow (opposite the current from V1) from V2 through Light 1 and Light 2, back to V2?

The answer is certainly no and, as the other answers indicate, there are many ways to see this.

But, from my perspective, the most straightforward way to see that the answer is no is to observe that one can vary the resistance of Light 2 without affecting the current through Light 1 at all.

Ask your friend the following questions:

(1) What is the current through Light 1 if Light 2 is open?

(2) What is the current through Light 1 if Light 2 is almost a short circuit?

(3) What conclusion can we draw from the answers to (1) and (2)?

Alfred Centauri
  • 26,630
  • 1
  • 25
  • 63
1

The short answer is Kirchoffs laws.

(1) The sum of the voltage drops must equal the supply

(2)Current going into a node (junction) must equal the current coming out.

Regardless of where you take ground to be.

The total current I1 splits into two currents, I2 and I3 . So I1 must equal I2 + I3.

I3 passes through light 2 and produces a voltage drop of V1 + V2

I3 must also travel through the bottom voltage source.

At the junction between the two voltage sources I2 and I3 recombine. The current that goes through V1 must equal the current that emerges into the circuit - that is I1

This means that I2 + I3 must both go through V1 (since I1 = I2 +I3). This leaves no part of the I2 current going 'down' through V3 or any of the I3 current going 'up' through light 1.

In other words no current can flow from V2 through light 1

enter image description here

JIm Dearden
  • 19,036
  • 30
  • 40
  • This makes sense. If we remove V1 then V2 supplies both lights in series. If V1 is replaced, current flows according to the path you've shown, but why does V2 no longer supply current along the previous series path? I realize this is totally basic, and it involves the addition of the potential differences of V1, but I can't see the logic for some reason. – JYelton Jul 02 '13 at 23:34
  • @JYelton Perhaps an analogy would help. Imagine the electrons are like children running through corridors (wires). With V1 removed they have no choice but to run around through Light 1 and Light 2. With V1 replaced this gives three corridors, two of the corridors have children rushing headlong into the junction at the same speed (energy). The ONLY way they can go is through V1. What Kirchoff's law is telling us is that charge ( like children) cannot be accumulated at a junction. What goes in must flow out and charge or children like anything else take the path of least resistance. – JIm Dearden Jul 02 '13 at 23:47
  • @JImDearden So the reason the junction between V1 and V2 is Out/In/In rather than Out/Out/In is because the Out (into V1) and In (from V2) balance initially, and there's not spare kids to go running down the other corridor, so it becomes an In by default? (I may have murdered a perfectly good analogy, there...) – Scivitri Jul 02 '13 at 23:53
  • @Scivitri Basically yes, there is no predesignated direction it simply follows the path of least resistance. – JIm Dearden Jul 03 '13 at 07:05