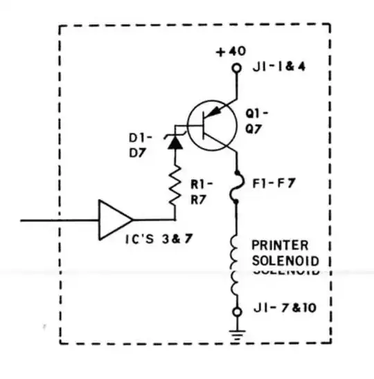
I am trying to understand a vintage (1970s) impact printer circuit. Each of the pins in the printer are driven by a small individual coil driver circuit, that was originally specified to look like this:
(Detail from a schematic here. )
I understand how this works since I asked a question about it earlier and got some great answers, but the company that sold the printer issued an addendum to the circuit with an update, where a 62V Zener diode (1N4759) is added from the collector to the emitter:
(SWTPC PR-40 addendum detail.)
What is the purpose of this additional diode?
I'm assuming it's to protect something (the coil?), since it was an after-the-fact addition to the circuit design, but I'm having a hard time intuiting what's happening here.
I don't think the Zener will do anything in normal operation-- the 40VDC rail is below the 62V breakdown voltage so it won't bypass the transistor. Is this a protection for if the 40V rail somehow manages to jump up to > 62V? Is something else going on?


TIP127. The datasheet for a TIP127 shows it is a darlington with an internal diode between the collector and emitter. Is the external zener to allow a quicker turn off for the solenoid as suggested is this answer? – Chester Gillon Mar 27 '24 at 17:24