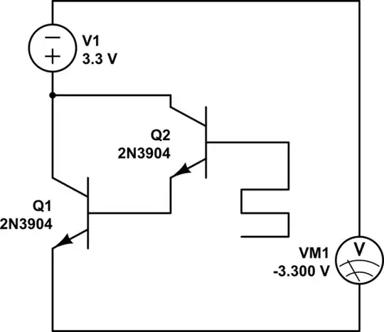
I made a Darlington pair from two 2N3904 transistors, and connected the collector (of the entire Darlington pair) to the 3.3V output of a breadboard power supply (powered by an adapter that plugs into the wall socket), connected the emitter to a voltmeter, and grounded the other end of the voltmeter. The voltmeter began registering a voltage that was greater than the original voltage (~4.6V), when I touched the base connector, via a wire. The effect was improved when I touched a radiator with my free hand, and the voltage increased to 36.5V. Even more ridiculously, the effect persisted when I shut off the supply. I am 99% sure that the effect was not due to any sort of capacitors in the power supply, or another energy store. Is this due, perhaps to inductive energy harvesting, or RF energy harvesting? I have included a picture of the schematic and a photo of the circuit (the squiggly wire bit is the bit I touch with my finger).
https://i.stack.imgur.com/jInwS.jpg

simulate this circuit – Schematic created using CircuitLab
===EDIT=== It still works when I unplug the power supply, and I can even light an LED very very dimly, and charge a capacitor. Now I am nearly fully sure that it is due to inductive coupling from the transformer in the power supply.