Wikipedia gives the following circuit as a negative capacitance circuit:
I was curious if I would be able to create a low-pass resistor-negative-capacitance filter, analogous to an RC low-pass filter, using the above circuit, which would have a positive phase shift above the cutoff frequency.
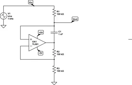
This is what I tried:

simulate this circuit – Schematic created using CircuitLab
Running a frequency response simulation showed promising results:
Obviously, at a certain point, the op-amp's performance begins to flag, so I am not surprised that the phase shift continues to rise above 90° when the frequency is above 1 MHz.
However, I was very disappointed to see the time-domain response. My low-pass filter unfortunately is also a relaxation oscillator. Typically, an op-amp relaxation oscillator has the capacitor connected between the inverting input and ground, but obviously this topology works as a relaxation oscillator as well.
My questions are:
Is there a (not too complicated) way to suppress the relaxation oscillations, or is this negative capacitance circuit useless for making an R/"C" low-pass filter?
Is there an alternative way to make a low pass filter with a positive (90°) phase shift in the region where there is 20 dB / decade attenuation?
This question is related, but unfortunately, the OP only did a frequency response, and didn't understand why the circuit did not work in practice. A scope or a time domain simulation would have shown the relaxation oscillations.



