As in the comments the 741 op-amp is not one of the better choices.
Consider using one of the test circuit configurations in the IRA-S210ST01 datasheet, these also use an op-amp similar to that recommended in the comments.
For additional info you can refer to this application sheet. The document also includes a prototype starter board that should be available, schematic included.
In your original circuit you are using the transistor as a switch rather than a linear amplifier. If you want to view an amplified analog output try using one of the the circuits in the datasheet or application sheet to start.
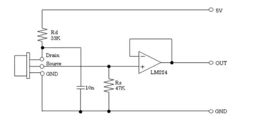
Since the LM224 op-amp (and similar versions) have multiple parts in one package you can implement an analog stage, a filtering stage, and a comparator stage. Below is one of the test circuits from the datasheet.

(From Murata datasheet Fig. 5)
.