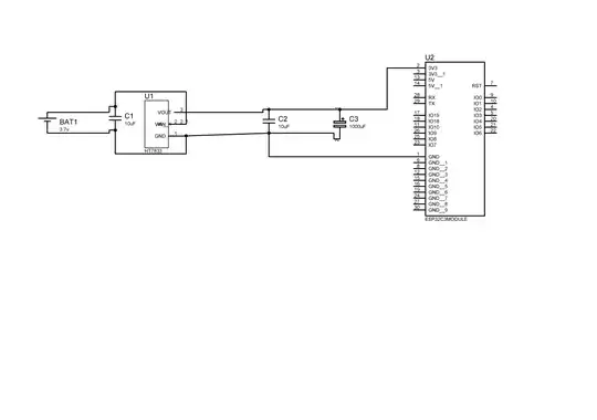
I am designing a sensor based on ESP32-C3-13 module and sending sensor value over ESPNOW to another ESP32-C3-13. The circuit has HT7833 LDO and supplied by one 3.7 V 2500 mAh LiPO. During the send process around 3.5 V battery voltage level input to HT7833, I am facing ~600 mV drop. When I check HT7833 datasheet 600 mV voltage drop occurs in condition of 2.5 V ≤ Vo ≤ 2.7V
In order to investigate the issue I checked battery level over scope. On C1 it is showing level around 3.5 V and on C2 voltage level at around 2.8 V during Tx.
In order to understand the root of the problem I dropped C3 and tried to measure it again. Result has not changed. Then, I dropped all the capacitors and left only ESP32 and HT7833, result has not change either.
Have I interpreted the values wrong?
Please find screenshots and circuit diagram attached into the message.
Thank you for your help.
Orkun Gedik



