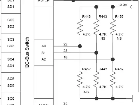
I have the following Circuit from a datasheet, the three ports are suppose to be set to create programmable address values in a PCA9548A chip.
I see they both have pull up and pull down, but its labeled NS on one of the two sides. Is that trying to tell me that one labeled is not on? I am just trying to figure out what the address values are set as so that I can address it
