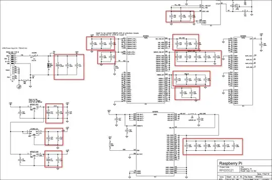
I am trying to read and understand the below Raspberry Pi schematic to validate some of the basics I learned recently regarding passive components and how they are used in real schematics.
When I looked at it, there are bunch of capacitors in parallel almost everywhere (highlighted below in red boxes.) What is the significance for having so many parallel capacitors? Can they not just use their equivalent capacitor? I am just curious to know if there is more to it.
