1

I havean LED ceiling light with a S4523B chip for cycling.

Would it be OK to disable cycling by shorting pin 1 and 3?

I would like both outputs to be on when the PCB gets power.

enter image description here

enter image description here

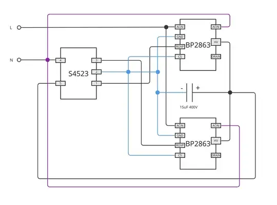
UPDATE2 (input part of the circuit):

enter image description here

JRE
  • 71,321
  • 10
  • 107
  • 188
Pablo
  • 1,561
  • 3
  • 21
  • 42
  • 2
    What's cycling in this regard? – winny Aug 29 '23 at 10:38
  • each time you turn on the light it will turn on LED1 (cold white), then next time LED2 (warm white), next time both. Then from the beginning. – Pablo Aug 29 '23 at 11:05
  • 1
    Connect both outputs to the channel you want to drive? – winny Aug 29 '23 at 11:38
  • Depends if one channel of the S4532B can handle the current of both LEDs. Impossible to say without a datasheet and information on the light power. – Finbarr Aug 29 '23 at 14:36
  • @winny so basically short pin 1 and 3? – Pablo Aug 29 '23 at 19:55
  • @Finbarr unfortunately this is all that is available. http://www.bpsemi.com.cn/upload/cn/file/2023-07/col385/1688460451965.pdf
    Pin 1 and 3 then going to respective driver: https://m.elecfans.com/article/1402414.html
    – Pablo Aug 29 '23 at 19:57
  • 2
    I'd suggest removing that chip altogether and connecting 1 and 3 to ground. – Finbarr Aug 29 '23 at 20:14
  • @Finbarr. It didn't work... the power is not reaching LEDs after removing IC. I will try to figure out basic connection diagram and post here to seek more help. – Pablo Aug 30 '23 at 10:45
  • @Finbarr and all. I've updated my post with circuit diagram I was able to check with multimeter – Pablo Aug 30 '23 at 11:57
  • The ROVP (over voltage protection resistor) pin needs a resistor to set the overvoltage threshold. I guess with no resistor the threshold is zero. The datasheet says how to calculate it given the inductor size, but it's probably easiest to find the existing resistor and reuse it (if there is one) since I don't see a label on those inductors. – user1850479 Aug 30 '23 at 13:40
  • @user1850479 there is no existing resistor on PCB. I've presented existing diagram in original post. Also there is no label on inductance, but the driver is rated 24W for both legs. Any way to know resistance from S4523 datasheet as it is providing signal to driver? – Pablo Aug 30 '23 at 14:31
  • Are you sure that N input doesn't go anywhere else? That's where the problem lies. – Finbarr Aug 30 '23 at 14:40
  • @Finbarr it was actually going, to another ACIN input of the driver. I've updated diagram, sorry. – Pablo Aug 30 '23 at 15:19
  • Try leaving pins 1 and 3 of the S4523 disconnected. It may connect them to GND to turn the relevant LED off. – Finbarr Aug 30 '23 at 16:33
  • @Finbarr bingo! with removed S4523 both legs of driver are supplying voltage to the LEDs! If you would like make it as an answer so I can accept it. Thanks a lot. – Pablo Aug 30 '23 at 17:14
  • After using some time however, lights started to randomly blink like there is a loose connection. I guess leaving them in the air is not reliable? – Pablo Aug 30 '23 at 17:44
  • The other option would be connecting them to the HV line on pin 5. – Finbarr Aug 30 '23 at 17:49

1 Answers1

0

From what little I can make out from the datasheet, the Bright Power S4523 contains switching logic that changes its state whenever power is removed and reapplied soon afterwards (i.e. presumably while it still has a DC supply active on its HV pin from the smoothing capacitor). This allows it to activate one or both of the LED drivers using their Vcc/OVP/CTL input pins.

Making both drivers work at the same time, all the time, is therefore a matter of figuring out the state of those input pins when they are on. It's either going to be a connection to GND, a connection to the HV DC line that's also fed to the chip or just left completely open circuit.

As removing the chip and connecting the control lines to GND didn't work, it seems likely that connecting the control lines to GND is what turns off the LED drivers - so it must be one of the other options.

Finbarr
  • 5,699
  • 3
  • 20
  • 33
  • Well, connecting 1&3 to HV made a slight firework :) – Pablo Aug 30 '23 at 18:12
  • https://imgur.com/a/1pkXhPo I will go ahead with new lamp. Thanks for your time and efforts! At least I tried. – Pablo Aug 30 '23 at 18:21
  • 1
    Ah :( The problem is the lack of a decent datasheet that says exactly what the operating characteristics of the inputs and outputs are. – Finbarr Aug 30 '23 at 18:40