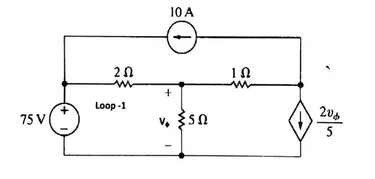
Here is the problem:
Here is my solution attempt:
And here is the result from LTspice:
The direction I chose for $$I_{1}$$ is not the direction I get in LTspice. Where did I go wrong? Somehow the numerical values are same but the direction is reversed.
Asked
Active
Viewed 39 times
0
Rajiv Das
- 51
- 3
-
LTspice reports currents for voltage supplies different than you think it does. That's all. If the conventional current is pointing out of the (+) terminal, then the sign is negative. Your I1 is clockwise. So it points out of the (+) terminal, by definition. You calculated the value to be +15. Which means the answer agrees with the direction you assumed. LTspice, on the other hand, has to deal with the concept of power dissipation. If current times volt-difference is positive, the device is dissipating. If negative, it's powering the circuit. So it reports this current as negative. – periblepsis Jun 23 '23 at 09:35
-
1Set up a very simple circuit with just a voltage source (use a positive voltage for it) and a resistor. You'll see what I mean. – periblepsis Jun 23 '23 at 09:36