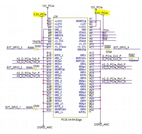
What is the 3.3V used for in PCIe edge connect? I have a PCIe connector that has 3.3V and another one that does not have the 3.3V and both are working fine which brings me to wonder why the 3.3V is needed? Is it only for JTAG?
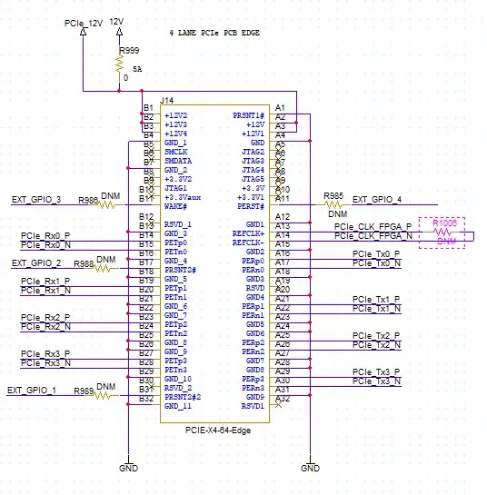
Connector without 3.3V
What is the 3.3V used for in PCIe edge connect? I have a PCIe connector that has 3.3V and another one that does not have the 3.3V and both are working fine which brings me to wonder why the 3.3V is needed? Is it only for JTAG?
Connector without 3.3V
The 3.3V supply (along with 12V) must be provided by the socket, both the main 3.3V rail and the auxillary 3.3V standby power rail.
The PERST# and WAKE# along with other sideband signals are 3.3V logic level. However these are typically all open drain signals, with a pull-up to 3.3V on the socket side, meaning the card doesn't actually need to drive anything to 3.3V, it can simply use an open drain output to pull the signals low (WAKE#, SDA, SCL), and need only be tolerant of 3.3V on it's inputs (PERST#).
Cards are therefore free to choose to use the supplies if needed, but are equally free not use it if they don't need it. It's entirely dependent on how the card is designed. It could use the 12V rail and voltage regulators to derive any voltages it requires. Or it could use just the 3.3V rail. Or it could use a combination of both. The choice is dependent on power requirements - the power available from the 3.3V rail and 12V rails have their own limits (<10W from 3.3V rail, up to 66W from the 12V rail depending on slot size).