I had a doubt about designing a varible offset adjustment for a differencial amplifier (op-amp). (This question: Offset adjustment with unity-gain buffer). The solution was saved in the accepted answer and in the image from the EDITED 2 section of the question. My question now is, could I have a configuration where, using a potentiometer, I could vary gain and offset independently? Could I add to that previous design the gain adjustment now? This new design would allow me to adjust the offset with a pot and the gain, within a range, without affecting each other when varying one parameter. I can't think about this configuration. Is it possible? Is it possible just with one op-amp?
-
You appear to want to reinvent the Instrumentation amplifier unknowingly. – Andy aka May 25 '23 at 11:46
-
@Andyaka The 'unknowingly' part is probably why I am learning in Electrical Engineering StackExchange. Anyway, I don't know any instrumentation amplifier that could allow me to vary gain with an analog potentiometer. All I know is that they have previously set gains and you can choose one. I don't want that. – Developing Electronics May 25 '23 at 12:07
-
1You can set the gain of most InAmps with a variable resistor. – Andy aka May 25 '23 at 12:09
-
1Look at the circuit diagram of almost any InAmp, and it will show you how adding three resistors between the two input buffers will give them a differential gain. Bonus, one of those resistors can be made variable to control the gain symmetrically. Wikipedia shows them as R1, R1, and Rgain. – Neil_UK May 25 '23 at 13:19
1 Answers
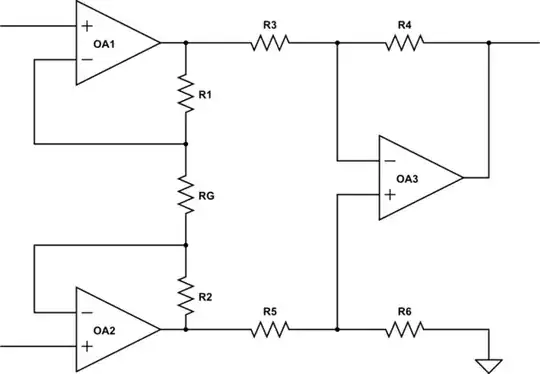
The simplest answer is no, but you can sort of come close. Add another op amp and you can do it. First, your "final" circuit needs to be changed. Ignoring the desire (for now) for an offset adjustment, you should use the classic instrumentation circuit.

simulate this circuit – Schematic created using CircuitLab
See, for instance the Wikipedia article on instrumentation amplifiers for the rules on how to set the resistor values.
Rg, as you might guess, can be varied to vary the gain.
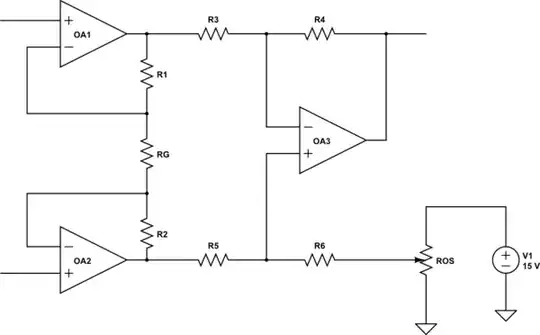
The right hand side of R6 does not need to be grounded. Varying the voltage at this point will produce an offset. However, cannot do something like

That will simply change the gain in an inconvenient fashion. You need to provide a voltage to R6. And you can't do this, either.

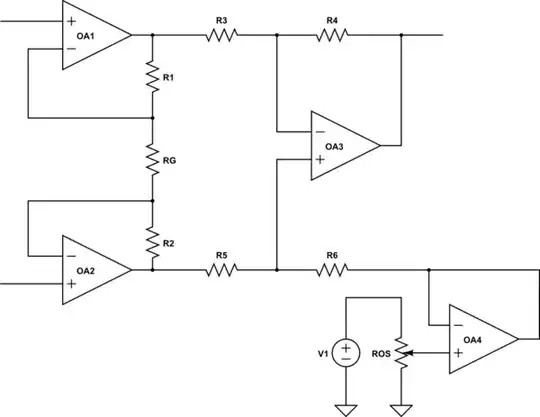
That will provide an offset voltage, but it will ALSO change the gain. You need to provide a voltage which doesn't change with the signal. You can do this by

Hope this helps.
- 166,079
- 3
- 185
- 408
- 60,521
- 2
- 37
- 97
-
Super! Crystal clear. I have looked for some instrumentation amplifiers and I can do what your design says. For example in this one (https://www.mouser.es/datasheet/2/609/AMP04-3122299.pdf), in Figure 8, chaging Rg for a trimpot would solve my problem. I did not know if that could be done or if would affect gain. Thanks. – Developing Electronics May 26 '23 at 05:27
-
For the offset ajustment. If my input signals need, for example, 5 mV of offset, I have to get 5mV in ROS? Or is it affected for the gain and the calculations have to take it into account? – Developing Electronics May 26 '23 at 05:40
-
Generally, yes. If you are going for very small offsets, it may be possible to use the next-to-last circuit, since a very small resistor to ground will not have much effect on the effective value of R6. – WhatRoughBeast May 26 '23 at 16:48