I want to connect a 0-3V analog sensor output to the 0-10V analog input of a PLC.
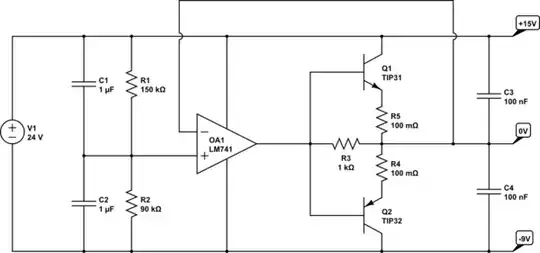
In order to avoid losing resolution, I have amplified the sensor signal using a non-inverting amplifier circuit (based on the old uA741) so I get the full resolution. It works nicely using a +-15V dual power supply, but I would like to replace this power supply with a 24V one, as this is the one I have available in my test area. I have checked that I can design a circuit to split the 24V to +-12V using opamps, but I have two questions:
Can I also use a uA741 for this? I guess that I can't, because Vcc max is +-18V, so the 24V is outside of the range. Any alternative to this old opamp that is easy to find?
Will the resulting +-12V be enough to avoid clamping when going from 0-3V to 0-10V for the uA741 non-inverting amplifier circuit (for even uA741 or other ones?)


