From this video, Pace MBT 250 rework station with a Gordak handpiece and Arduino by Fodor Tibor, @ 17:27, this "close up" photo is shown of the board:
Note the seven blue metal film resistors that go between the digital output pins to the gates of the seven n-channel logic level FETs (I don't know exactly what model of FETs they are).
I may very well be mistaken, but the colour bands look like: red; red; black; brown, and; silver - thereby implying 2.2 kΩ resistors.
However, isn't this a rather high value for a gate resistor, given that ~150 Ω is a more usual figure?
Additional info
A 150 Ω gate resistor is shown in this diagram from Driving motors, lights, etc. from an Arduino output pin)
Admittedly, the gate doesn't need to switch particularly quickly, maybe 5 Hz at an absolute maximum (probably 0.1 to 1 Hz typically), so a low value of resistor isn't strictly necessary... but even so, a difference of an order of magnitude in the value of the gate resistor seems a bit extreme.
On the underside of the board, from the output pins of the Nano, there are also a set of seven 10 kΩ resistors to ground:
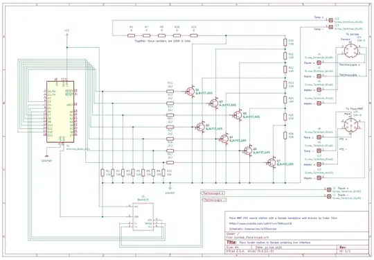
FWIW: This board converts from a K-type thermocouple to a "PTC equivalent" resistance, using a resistive ladder, where the resistors are switched by the Arduino.
Here is the full schematic that I came up with:
Finally, for complete disclosure, I have also made some notes/analysis about this board online, Gordak soldering iron on a Pace MBT 2xx. The details given in the video about the circuit are rather sparse.



