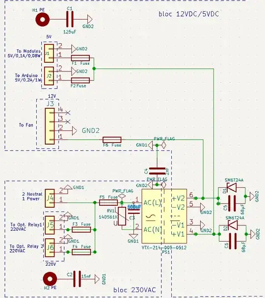
I am a newbie starting a project on an Arduino. One part of this project is to design a complete AC-DC converter to feed:
Input: 230 VAC
Outputs:
- the Arduino with 5 V,
- one set of Arduino 5 modules with 5 V,
- a pair of 230 VAC relays controlled by the Arduino (5 V),
- a 12 VDC fan.
I try to use fiable components as to eventually go throught EMI tests.
Mounting holes are connected the "protective earth" of the electrical wall outlet via capacitors. The 12 V output is protected by a TVS.
Please do not hesitate to comment on the schematic, I really want to progress on this deliverable.



GND1label toAC/N, or similar .... add earth ground symbol to the mounting holes – jsotola Jan 21 '23 at 19:42