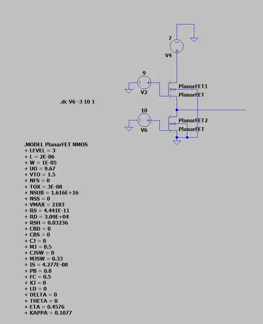
I am importing a custom transistor model in LTspice. Simulating the family of curves for a single device works perfectly though adding another transistor causes the simulator to go incredibly slow and not finish.
For an example I am trying an NMOS inverter circuit, with a DC simulation varying the input gate voltage from -3 to 10VDC in 1V steps. If I hover over the top left of the window I can see text at the bottom reading: "Stepping source: 100% step size =2.95928e-005 N-R iterations: 39 fill-ins:0" while the text changes the iterations.
Here is the model I am using:
.MODEL PlanarFET NMOS
+ LEVEL = 3
+ L = 2E-06
+ W = 1E-05
+ UO = 9.67
+ VTO = 1.5
+ NFS = 0
+ TOX = 3E-08
+ NSUB = 1.616E+16
+ NSS = 0
+ VMAX = 2183
+ RS = 4.441E-11
+ RD = 3.09E+04
+ RSH = 0.03236
+ CBD = 0
+ CBS = 0
+ CJ = 0
+ MJ = 0.5
+ CJSW = 0
+ MJSW = 0.33
+ IS = 4.277E-08
+ PB = 0.8
+ FC = 0.5
+ XJ = 0
+ LD = 0
+ DELTA = 0
+ THETA = 0
+ ETA = 0.4576
+ KAPPA = 0.1077
L= 2u
W = 10u
AD = 9p
AS = 9p
PD = 12u
PS = 12u
LTspice simulation file: https://easyupload.io/heso8u
I have tried with the default spice simulator settings, and also changing the setting without luck. Any suggestions?


However grounding the body/substrate here does not many any difference.
– Barlo67 Oct 21 '22 at 17:51