I've finished the initial revision of my module. I'm just wondering if anyone has any feedback for the schematic layout. Is there anything that I could have done better?
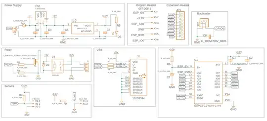
This small module will be used with a water tank to:
- control a relay to switch 12 V between NO and NC that will open/close a valve
- measure water temperature using a DS18B20 sensor
- calculate water level through a 0-200 Ω resistive sensor via a voltage divider
Can you see anything wrong with the components I have chosen or the layout?
I'm not sure about using a N-MOSFET to drive the relay, or if I should just use a BJT.
I appreciate any feedback. I'm no EE, however I'm trying to learn in Eagle.

