The electrons go to the ground and disappear? Does that mean the wire loses electrons? If not how do the electrons come back?
-
Take a single loop of wire. It is a coil. External changing magnetic field makes the electrons move in the loop. If you connect the coil to ground, will it complete a circuit? If not, why would any electrons flow in that wire? If yes, how does the circuit get completed? – Justme Sep 11 '22 at 16:12
-
Not when going in a circle, because that's what a circle does. Not to mention there is a power source. If you are shoving electrons in such a way that the wire actually loses electrons, that's what happens when you have a charged wire that can static shock someone. Note that many circuits are drawn in with current flowing straight from top to bottom without loops of wire to make them easier to read, but the power source connects the two ends of the power supply together to complete the loop. – DKNguyen Sep 11 '22 at 16:12
-
@Justme so like then how does electricity flow to the ground as they say if it doesn't complete a circuit? – Hormoz Sep 11 '22 at 16:16
-
Current returns to it's source, that is, it flows in circuits. Current doesn't flow through ground, unless ground provides a path back to it's source. The explation becomes more complex in the case of "static discharges", like lightning, but in fact the rule still applies, although it may be easier to think of static discharges as an exception. – Math Keeps Me Busy Sep 11 '22 at 16:25
-
@MathKeepsMeBusy so let's say you touch one hole of a wall outlet and are connected to the ground. I am fairly certain you will get shocked despite your other hand not being connected to the other side of the outlet. What happens? How do the electrons go back? – Hormoz Sep 11 '22 at 16:27
-
@Hormoz if you got shocked from touching one prong of an outlet, you have learned the joys of AC, how everything has some capacitance, and why the third prong to appliance case is important. maybe even a bit of why the third prong is not required on double-insulated. – Abel Sep 11 '22 at 16:45
-
1@Hormoz The circuit is also connected to ground near the transformer, so that creates a loop through you. – Hearth Sep 11 '22 at 16:49
-
@Hearth so you wouldn't get shocked if it's just an electric motor hanging in the air (or well just not connected to the ground)? – Hormoz Sep 11 '22 at 16:56
-
@Hormoz Theoretically no, but I still wouldn't recommend doing that. – Hearth Sep 11 '22 at 16:56
-
A very warm welcome to the site :-) This question is essentially asking for tuition/discussion on the very basics of electronics, page 1 stuff. It's a Q&A site, rather than discussion forum, and can't be a personal tutorial service, which is effectively what you're asking for. You'll find mountains of information detailing the basics of electron flow in a circuit freely available on the internet for you to research and learn from. Hope you can see that and, again, welcome. – TonyM Sep 11 '22 at 18:23
-
It sounds like you need a discussion (or just to watch a few YouTube videos). Note that there's a big difference between just a circuit with a single wire to ground (no current flows, unless there's an antenna involved), vs. anything having to do with the electrical grid (in which case there's always an intentional connection to ground somewhere). For discussion, something like www.reddit.com/r/ece, or Quora, or other discussion group. If you have a specific question, please ask it here; we'll do our best. – TimWescott Sep 11 '22 at 18:43
-
Maybe this can help clear up your question: https://electronics.stackexchange.com/questions/545322/professor-said-no-current-flows-to-ground/545334#545334 – hacktastical Sep 11 '22 at 18:44
2 Answers
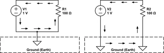
The answer is no. Ground (Earth) is not a gigantic electromagnetic pool that attracts electrons. This is a common misunderstanding. Electrons do not "seek" ground.
For every component, whether an inductor, capacitor, resistor, et cetera, or just a wire, electrons leaving one end of the component must enter the other end no matter how easy or tortuous the path is. If that path includes ground then the electrons will enter ground then somewhere else will leave ground to return to the component.
Touching ground at a single point brings the voltage of the circuit to the same voltage as the ground. No electrons enter ground at a single point of contact.
The arrows in the diagrams indicate the flow of electrons.

simulate this circuit – Schematic created using CircuitLab
- 15,016
- 2
- 10
- 38
-
Also note: if you see a circuit diagram with this down-arrow ground symbol, it usually means you connect all those symbols together and they just didn't show it on the diagram. It usually doesn't mean the actual planet we are standing on. Sometimes it does. – user253751 Sep 12 '22 at 00:34
-
@user253751: Not just usually. Always. What is hidden behind the symbol is current. Sometimes the current is into the symbol, sometimes out and some times there is no current.. I try to use the symbol where there is no current, then it becomes a clear 0V reference. But using the symbol to reduce clutter is beneficial. Care must be taken to maintain clarity of the circuits function. – RussellH Sep 12 '22 at 00:58
If any one point of an isolated circuit loop is connected to ground (by which I take it you mean Earth) by a wire, then no electrons will flow in that wire. It just means that the point in the circuit which has been connected to Earth will be forced to be at the same potential as the Earth potential.