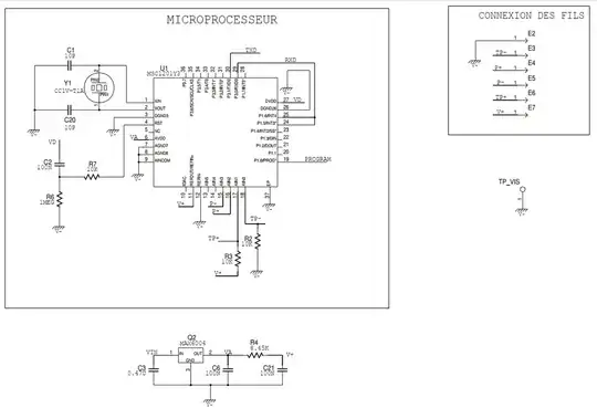
Can someone please help me understand this mystery data acquisition circuit. The circuit is both powered and digital data are communicated using a single wire. Current return is made through chassis. Special interface board must be used to operate gauges and acquire data to a PC or a master controller. Command word is sent to gauge by modulating cable line voltage, the gauge is responding by modulating line current.
Input voltage is between 8V and 24V. During programming its at -8V

