We know that every voltage source can be transformed into a current source, and vice versa. We also know that voltage sources are connected in series and current sources are connected in parallel. Isn't this paradoxical, because the same set of sources should be connected in both series and parallel, depending on how we choose to view them?
-
1What current do you get when a 1 amp source is in series with a 2 amp source? – Andy aka Jun 14 '22 at 14:30
-
Yes different sources may be connected in parallel and/or in series. So what is the paradox and where is it? – Justme Jun 14 '22 at 14:35
-
2You can't transform between ideal sources. You need a resistance to be connected either in parallel (to the current source) or in series (to a voltage source) in order to be able to transform. Once you add the resistances, you can connect them as you wish. – Eugene Sh. Jun 14 '22 at 14:35
-
1Why do you say "...are connected"? Do you mean "...should be connected"? And then it is important (a) to realize that - in reality - both kinds of sources are always non-ideal and (b) to know for which purpose these sources are combined (what is the purpose for this action) ? – LvW Jun 14 '22 at 18:30
-
@Eugene Sh It's not about sources being ideal or non-ideal. Consider two real voltage sources with their respective internal resistances. Assume that they are enclosed in black boxes. In order to combine them, we need to join them in series. Now consider the same two sources (again inside black boxes). This time they are assumed to be current sources with their respective shunt resistances. How to we physically join them? See the paradox? – terahertz Jun 16 '22 at 03:13
-
@terahertz There is no paradox. Current source enclosed in a box is not the same as voltage source in a box. You can't assume a voltage source to be a current source, they behave differently. Current source will provide as much voltage as needed in order to maintain constant current. Voltage source will maintain the constant voltage regardless the current. – Eugene Sh. Jun 16 '22 at 13:53
-
See my answer below. – Eugene Sh. Jun 16 '22 at 14:35
3 Answers
They are the same
The simple truth about voltage and current sources in electronics is that they are the same network of two elements in series - voltage source and varying "resistor" (transistor). The only difference is in the behavior of the dynamic "resistor": in the first case, it keeps the voltage across the network constant; in the second case, it keeps the current through the network constant.
Current stabilizers
Initially, transistors are current stabilizing "resistors". An example is the common emitter stage with a constant voltage applied to the base and a load included in the collector.
Voltage stabilizers
But their behavior can be reversed by applying а negative feedback. An example is the common collector stage (emitter follower) with a constant voltage applied to the base and a load included in the emitter. As a result, the "current-stabilizing" transistor becomes "voltage-stabilizing".
Conflicts between homogeneous sources
When we connect such made voltage sources in parallel or current sources in series, their internal dynamic "resistors" begin to compete and finally they reach their resistance limits - zero or infinity. From this point on, these sources cease to act as such (voltage or current). There is no such problem in electrical circuits when connecting simple sources made by "static" resistors.
Applications
However, these "incorrect" connections of homogeneous sources can be useful and they are widely used in electronic circuits.
Voltage conflicts. For example, in differential amplifier stages ("long-tailed pair") two voltage sources (emitter followers) are connected in parallel and they compete. As a result, the currents through them vigorously change (high gain).
Current conflicts. In amplifier stages with the so-called "dynamic load", two current sources (transistors, current mirrors) are connected in series and they compete. As a result, the voltage across them vigorously change (high gain).
See also my paper.
Mutual help between heterogeneous sources)
When a voltage source is connected in parallel to a current source, there is no conflict between them - the former keeps up the voltage constant while the latter keeps up the current constant. They even mutually help - each of them serves as an ideal load for the other.
Cascode circuits are typical example of such connection.
- 16,664
- 1
- 19
- 61
-
1I must admit that I have problems to follow the "voltage conflicts" example. Lets assume that we connect two batteries (each with an internal source resistance) in parallel. The current will be zero for equal values and will simply follow Ohms law for the difference V1-V2. As far as the long-tailed pair is concerned: Does each transistor really act as a (non-ideal) voltage source? The small source resistance of T1 is connected to a load which has app. the same value (Rload is NOT much larger than 1/gm). – LvW Jun 14 '22 at 18:39
-
@LvW, The voltage conflict principle can be observed when connecting "reacting" voltage sources with dynamic internal resistances. A typical example is the emitter follower where a transistor responds to any attempt to change its emitter voltage. In your example, the voltage sources are "passive". – Circuit fantasist Jun 14 '22 at 18:47
-
@LvW, As you know very well, the humble long-tailed pair consists of two emitter followers connected to a common load - a resistor. The role of this resistor is not so much to be a load but rather a "pull down" element (there is a need of such an element because both transistors are "pull-up" elements). If we connect the emitters of two different transistors (PNP and NPN), we can provoke a "voltage conflict" without a "pulling" resistor. – Circuit fantasist Jun 14 '22 at 19:03
-
".....two emitter followers connected to a common load": However, each of the followers sees also the small input resistance (1/gm) of its "partner" (in parallel to the common load) - therefore, I think, each of the followers does NOT act as a "voltage source" because the load resistance is equal to the source resistance. This leads to the factor 1/2 in the gain expression (1/2)gRc.. – LvW Jun 14 '22 at 20:53
-
@LvW, More precisely speaking, the followers try to be voltage sources. In common mode, they succeed since they are not loaded; in differential mode, they do not succeed, since they are hard loaded. The collector currents represent their reaction to the load and are used as output signals after they are converted into voltages. – Circuit fantasist Jun 15 '22 at 04:17
We also know that voltage sources are connected in series and current sources are connected in parallel.
We don't necessarily know that. Ideal voltage sources cannot be connected in parallel, because the circuit theory they belong to doesn't allow that. That's not the physical reality though. Ideal current sources also cannot be connected in series, because of how circuit theory deals with them. Again, physical current sources can be connected in series no problem.
Let's expand on that:
Physical voltage sources have non-zero source impedances.
Physical voltage sources may have an inherent diode within - e.g. any unipolar DC lab power supply behaves that way.
Physical current sources have a range of compliance voltages where they have high impedance. Outside of this range, their impedance may fall dramatically - by orders of magnitude.
So, if you connect two lab power supplies in parallel, the one set to a lower voltage is essentially out of the circuit at DC. If you connect two alkaline batteries in parallel, a charge-equalizing current will flow between them, based on the disparity between cell voltages. This current may be high, but it's certainly finite and can be modeled reasonably well with accurate electrochemical cell models.
If you connect two physical current sources in series, one of them will prevail, depending on the orientation of their connection, and the compliance voltage ranges.
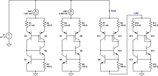
Let's look at a practical examples of current sources in series:

simulate this circuit – Schematic created using CircuitLab
The two sources are set to provide relatively stable 1mA and 4mA over a decade-wide voltage range - from 3V to 30V, with rudimentary matching of the transistors. As you can see, the sources operate normally when connected in parallel. But when you connect them in series, it turns out that the 4mA source pulls down its input voltage to about 1V, and the 1mA source operates normally.
- 40,960
- 1
- 39
- 120
-
A sophisticated circuit... It reminds me the Wilson current mirror... – Circuit fantasist Jun 15 '22 at 11:14
-
1It’s a current-mirror loaded current source. The mirror stabilizes the base current. There’s just a bit of negative feedback to make it work. – Kuba hasn't forgotten Monica Jun 15 '22 at 15:23
-
Interesting... As I can see, the bottom part (Q1, Q2 and R3) is the brilliant Widlar current limiter or source (I have dedicated a question about it) that reminds me a current mirror. Its output part (Q2) drives the input part (Q4) of the top current mirror. In its turn, the output part (Q3) of the top current mirror drives the input part (Q1) of the bottom current source. So they are connected in a loop (maybe, this is the negative feedback mentioned by you). – Circuit fantasist Jun 15 '22 at 17:24
You seem to be confused by Thevenin/Norton transformations which state that the following two configurations are equivalent:

simulate this circuit – Schematic created using CircuitLab
So in order these to be equivalent the following must hold: $$ R_{Thevenin}=R_{Norton} $$ $$ V_{Thevenin}=I_{Norton} \cdot R_{Norton}$$
Assuming the resistance are non-zero, these configurations can be freely connected both in series or in parallel and still stay equivalent, that is the following (parallel connection) is equivalent (assuming the equations above hold).

and the following series connections is equivalent:

Now, what you can't do is to perform the above transformation to ideal sources, when \$R_{Thevenin} = R_{Norton}=0\$. In that case the second equation will always yield \$V_{Thevenin}=0\$, or if transforming the other way around - \$I_{Norton}=\infty\$ - which is not physical. So we established, that ideal sources can't be transformed.
Now, we can also see that ideal voltage sources cannot be connected in parallel (unless equal voltage), because they will force two conflicting voltages on the same points, and also two ideal current sources can't be connected in series - as they will force two conflicting currents in the same wire. We can also see contradictions if we replace the resistances in the above diagrams with shorts.
So the above story was to address the preposition in the question:
"If we can transform current and voltage sources to each other, then we should be able to connect them both in series and in parallel" - which is a true proposition.
Another one (reworded) is "Current sources can't be connected in series and voltage sources can't be connected in parallel" - is true only for ideal sources, which cannot be transformed to each other as shown above.
Therefore both propositions are true and not conflicting, because the first one is speaking about non-ideal sources, the second one is about ideal ones.
- 10,041
- 2
- 27
- 41
-
Sh Thanks a lot for your detailed response. The question remains, if we have two energy sources (real, not ideal) encased inside black boxes with only their terminals accessible to us, should we connect them in series or in parallel? – terahertz Jun 17 '22 at 09:56
-
@terahertz You must know what these sources are. They are distinguishable. If you connect two different loads (one at a time) to a current source in the black box, you will see the same current $I$ flowing through each (up to internal resistance correction, unless it is built to compensate it), and the voltage on the load will be different according to the Ohm's law ($V=I\cdot R$). In case there is a voltage source in the box, you will see the same voltage $V$ on the different loads, but different currents (again, according to Ohm's law). – Eugene Sh. Jun 17 '22 at 13:30
-
So if you want to connect them in certain topology - you know their type and connect accordingly. It wouldn't make sense to connect current sources in series as it wouldn't make sense to connect voltage sources in parallel (in case of sufficiently different voltages), because in both cases it will cause "useless" currents fed by one source into the other and a waste of energy, or even damaging the devices. – Eugene Sh. Jun 17 '22 at 13:30
-
To clarify further, it is indeed possible to consider voltage source as a current source and vice versa, according to Thevenin/Norton transformations. But if you look at these, you will see that in order a voltage source to be closer to ideal one, it's internal resistance should be low, and for the current source the opposite is true. This is the basic difference between them. – Eugene Sh. Jun 17 '22 at 14:59
-
Sh I don't think the sources are distinguishable. The whole point of source transformation is that sources can be transformed (for ease of analysis) without the load impedance "knowing" about it. Furthermore, voltage and current sources are just mathematical devices that help us in our analysis. Remember, the whole of circuit theory is an approximation to field theory. – terahertz Jun 18 '22 at 04:18
-
Also, if you connect two different loads to the same (real) current source, the currents will be different in the two cases. – terahertz Jun 18 '22 at 04:21
-
I told you exactly how they are distinguishable. The real current source will have a very high internal resistance, so it will affect the output current very little. The real voltage source will have internal resistance that is very low in order to affect the voltage on the load very little. Try experimenting with a battery and few different resistors, and try convincing me that it is a current source. – Eugene Sh. Jun 18 '22 at 16:39
-
Sh I get the drift of your argument. But there is a flaw in it. First consider a 10 A (real) current source with a 1000 ohm parallel (shunt) resistance. If we connect a 10 ohm load at the output terminals, approximately 9.9 amperes will flow through it, with 0.1 amperes going through the source's shunt resistance. However, if we connect a 1000 ohm load, the current will divide equally with 5 amperes in the shunt resistance and 5 amperes in the load. – terahertz Jun 20 '22 at 10:40
-
The point is, a good current source is a bad voltage source, and vice versa. But, "good" and "bad" are subjective, and my original question still remains the same. Given that any voltage source can be transformed into a current source, and vice versa, how do we connect them, in series or in parallel? – terahertz Jun 20 '22 at 10:49
-
But you have already got your answer. You can connect "bad" current sources in series, as you can connect "bad" voltage sources in parallel. But if these are not that "bad" (that is close to ideal) you will do more harm than good by that. – Eugene Sh. Jun 20 '22 at 16:57
-
And no, bad and good are not "subjective" here. A good voltage source will provide a constant voltage within the rated tolerance when connected the full range of rated loads. That is it's internal resistance must be few orders of magnitude lower than any of the possible loads. The dual of this holds for a current source. If we are operating outside of the rated conditions, we can't call it "bad" because the conditions are "bad". – Eugene Sh. Jun 20 '22 at 17:07