I've been doing problems out of my circuit analysis textbook by Ulaby, Fawwazz et al. to study for an upcoming exam.
I am having serious trouble producing a transfer function and with such finding the resonant frequency (which I think will be easier once I figure out how to produce a transfer function a bit more easily). I have tried to do this for a couple circuits, with multiple attempts, to no avail. Any circuits that are beyond the basic parallel RLC's, I get lost in the algebra and can never recreate the results given by the answer key in the textbook/online resources. Unfortunately, we never go in depth during lecture, and my professor has no desire to fully work through a problem with me. I think once I've seen a couple examples fully worked through of circuits beyond the super basic, I should be able to better recreate it.
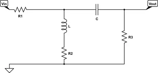
Here are two of the many circuits that I have utterly failed to produce the transfer function for.

simulate this circuit – Schematic created using CircuitLab

I understand how to produce a simple version of the transfer function for both of these (I think). For both circuits, simple nodal analysis and solving for Vout/Vin gives me: $$ H = \frac{1}{(\frac{L_1 + L_2}{C} + \frac{R}{jwC}+1)(\frac{R+jwL_2}{R})} $$ And for the second one:
$$ H = \frac{1}{ R_1(\frac{\frac{1}{jwC}+R_3}{R_3})(\frac{1}{\frac{1}{jwC}+R_3} + \frac{1}{jwL + R_2} + \frac{1}{R_1})} $$
Beyond this, I've done over a couple hours of algebra trying to simplify and solve for resonant frequency. So, what is the way I can do this with the least pain and have successful results? The latter is the most important because, as I said, I can't get the right answer in the end.

