2

I'm trying to understand the following circuit, or better said, what must be the approach to analyze other similar ones:

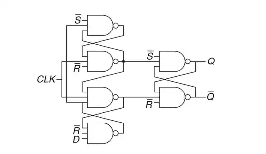
enter image description here

What I'm doing for now is forget about the clock signal and the D input, which seems an async. reset, and try to infer the truth table.

What I see on the left is 2 SR latches made of NAND gates, whose inputs are negated, therefore they will work as normal SR latches. The part on the right is an SR latch as well. However, the 2 first latches are interconneted. I have tried to draw the RTL design but I'm unable to get something that makes sense.

What can I do?

What I have tried

Here is the above schematics ignoring CLK and D, that is, pretending they are 0:

enter image description here

The truth table I have for RTL 1 is:

S  R  Q0'  Q0  Q1
-----------------
0  0   0    0   1
0  0   1    1   Q1'
0  1   X    0   -
1  0   X    1   Q1'
1  1   -    -   -

note:

  • Qn' is the previous state of Qn.
  • X is don't care
  • - is unstable
Martel
  • 1,239
  • 7
  • 23
  • Please show us your work so far. Do you have some transition tables you can show us? Your RTL attempts? – Elliot Alderson Jan 30 '22 at 18:08
  • 1
    This schematic seems to be a 74LS7474 edge-triggered FF. If this can help you, see my answer and methology in this case. https://electronics.stackexchange.com/questions/205761/why-is-d-flip-flop-positive-edge-triggered-instead-of-level-triggered – Antonio51 Jan 30 '22 at 20:43

0 Answers0