0

In Razabi's Design of Analog CMOS Integrated Circuits textbook, when he calculates the output resistance of a common source stage with source degeneration,

enter image description here

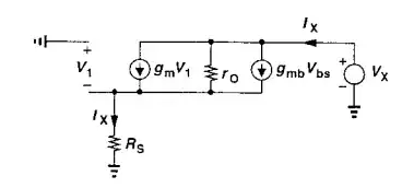
He uses the small-signal model below:

enter image description here

My question is, why doesn't he include R_D in his small-signal model?

user207787
  • 435
  • 1
  • 5
  • 18
  • Maybe you have misread what was said in the book. – Andy aka Dec 30 '21 at 17:59
  • He says, "Another important consequence of source degeneration is the increase in the output resistance of the stage." Then he starts calculating Rout. So is he just interested in the bottom half of the circuit? – user207787 Dec 30 '21 at 18:20
  • That is a logical conclusion – Tony Stewart EE75 Dec 30 '21 at 18:24
  • Proper context, and extracts as images yes. Possible misquotes or paraphrasing no. – Andy aka Dec 30 '21 at 18:26
  • Here you can find the answer https://electronics.stackexchange.com/questions/295771/i-o-resistance-of-common-source-mosfet-with-source-degeneration/295966#295966 – G36 Dec 30 '21 at 18:30

1 Answers1

1

He doesn't include $R_D$ to simplify the signal model. As $R_D$ is shunt at the output, you can add it on after you calculate the above $R_o$. The total output impedance will be $R_o || R_D$.

Yi_
  • 11
  • 2