I have some appliances which I am trying to convert from 120 Vac, 60 Hz to 220 Vac, 50 Hz. In particular, it is an LED light. I think I figured out how to do it. I modeled the power supply in the simple simulator on falstad.com.
Basically the power supply is separated into 2 sections.
- The "left" side in this picture is the supply for 16 LEDs. With a Zener diode with 30 V breakdown voltage, and a 100 ohm current limiting resistor.
- The "right" side in this picture is the supply for 8 LEDs. With a Zener diode with 15 V breakdown voltage, and a 30 ohm current limiting resistor.
In the simulation, the current across the LEDs is around 50 - 60 mA. Since the LEDs seem to be in series, I think I should maintain that current limit when changing this supply to 220 V.
In the simulations, when I apply 220 Vac without making any changes, the current across the LEDs jumps to 100 - 120 mA. This would probably burn them out.
My initial idea was to increase the resistance values of the current limiting resistors. But that way, they would just get very hot (much more power wasted in the resistors according to the simulation).
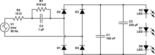
There are two big initial film capacitors in the supply. In the picture they are modeled as 1 uF. But in the original 120 Vac version, they are 1.5 uF. When I change these capacitors to 1 uF and apply 220 Vac in the simulation, then the current across the LEDs seem to be around 50- 60 mA again.
I already ordered 1 uF film capacitors. But just to be sure, do you think this would be a good solution for converting this power supply to 220 Vac?

