6

I am an electronics engineer. I work as an industrial automation engineer in industry. As an electronics engineer, I love amplifiers and other stuff.

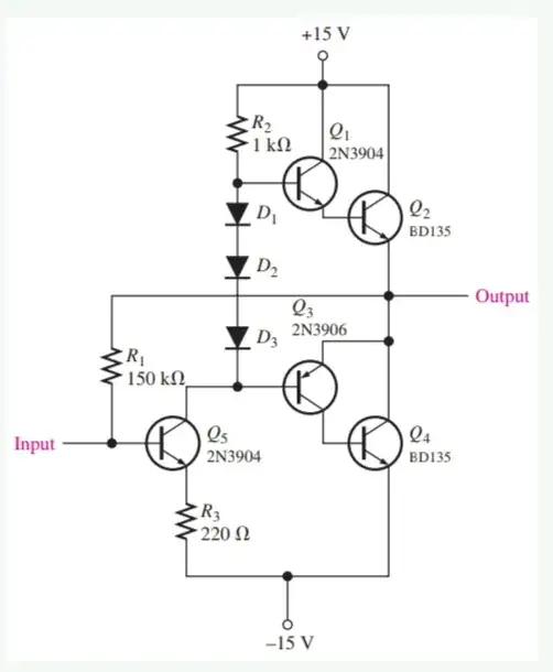
I was reading Electronic Devices by Thomas L. Floyd (great engineer) and I came across this circuit. As I have studied and seen everywhere that a class AB power amplifier looks like in Fig 1.

enter image description here

I don't know what the circuit is in Fig 2.

enter image description here

  • What is the purpose of Q5?
  • How is Q5 biased?
  • How is the whole amplifier circuit biased?

It seems like Q5 is an emitter feedback biased circuit but I don't know how it works.

Null
  • 7,603
  • 17
  • 36
  • 48
  • 2
    Q5 is the driver of the push-pull. It replaces the 2 capacitors and 1 resistor in the top picture (same behavior), but it does also for DC signals. Biasing Q5 is the same thing as when using an op-amp with feedback. Note that an offset is needed for signal input. – Antonio51 Dec 23 '21 at 11:57
  • 2
    3 diodes are necessary for EB compensation of the 3 up transistors Q1, Q2, Q3. – Antonio51 Dec 23 '21 at 12:03
  • 2
    I'm guessing that circuit (1) not only isn't a DC amplifier, but will attenuate lower frequencies, which many applications don't want. – Rich Dec 23 '21 at 21:00

3 Answers3

8

What is the purpose of Q5 and how it is even biased and how the whole amplifier circuit is biased?

Well, the 2nd picture is missing a couple of really quite vital components if you are going to make sense of this. These are: -

  • R4 (I've drawn it in below)
  • C1 (prevents the DC level on Q5's base being corrupted by the unspecified input)

Maybe this might help: -

enter image description here

Here's the process: -

  1. The output quiescent condition should be halfway between +15 volts and - 15 volts i.e. 0 volts. This is an aim for quiescent signal conditions.
  2. This means there needs to be about +1.4 volts on Q1's base (due to BE forward volt-drops)
  3. Therefore the R2's current is about 13.6 mA (ignoring Q1's base current)
  4. The 13.6 mA also flows through the diodes and Q5 and then to -15 volts via R3 (220 Ω).
  5. This means that Q5's emitter will be about 3 volts above -15 volts at -12 volts.
  6. So, we would aim to get about -11.4 volts at Q5's base via the resistor R1.
  7. Because R1 is 150 kΩ and has 11.4 volts across it, a current of 76 μA flows (Ohm's law)
  8. That current also flows through R4 (the added resistor)
  9. If R4 has 76 μA with 3.6 volts across it then, it must be a resistance of 47.368 kΩ (Ohm's law).

This is negative feedback that roughly aims (under quiescent signal conditions) to keep the output node at 0 volts. In doing so, it stabilizes the amplifier against drift and, naturally biases Q5.

But you need R4 and C1 (extras) and, I'd probably make R1 and the additional R4 resistor something like ten times lower to counter the effect of base currents (normal practice): -

  • R1 = 15 kΩ, R4 = 4.7 kΩ.

I don't know what the circuit is in Fig 2.

Actually figure 2 (as modified in my answer) is a pretty standard circuit for a class AB amplifier. Your figure 1 is hardly ever used (due to all the advantages gained from the circuit in figure 2).

Andy aka
  • 456,226
  • 28
  • 367
  • 807
  • 1
    @WaqasAhmad this is a question and answer site and not a forum. If you have a new question then you should raise a new question. Extended discussions in comments are not the place to ask really quite new questions. Nor are they to be used as a talking shop other than to gain clarification of points in the answer. Maybe you should take the 2 minute tour. – Andy aka Dec 23 '21 at 12:45
  • I edited my question and added the full circuit with the pre amplifier section, now it will be easier for you – Waqas Ahmad Dec 23 '21 at 12:45
  • Ok my bad I didn't realize it – Waqas Ahmad Dec 23 '21 at 12:46
  • That's OK. I've rolled back your question to where it was when I answered. – Andy aka Dec 23 '21 at 12:46
  • But still I am not clear. What should I do? – Waqas Ahmad Dec 23 '21 at 12:51
  • 2
    But still I am not clear - Do you see how Q5 is biased now? Do you see that adding Q5 allows the circuit to use negative feedback to make the quiescent voltage on the output more closer to the mid-point between the two power rails? It's hard to comment on what it is that you need to know when you say But still I am not clear. And, I have no idea what your experiences are or what skill levels you have so, I'm not only providing an answer but also trying to guess what you really know and understand and, sometimes, that's really quite difficult. – Andy aka Dec 23 '21 at 12:54
  • 3
    An important series input resistor is needed to set the voltage gain if the signal source has a low impedance like the output of an opamp. – Audioguru Dec 23 '21 at 15:32
  • @Audioguru that's a good extra point. – Andy aka Dec 23 '21 at 15:37
  • 1
    @Audioguru and Andy Aka, Can you please explain why a "series input resistor" is needed for gain control. Due to the presence of R3 in the emitter of Q5 ("emitter degeneration") the gain appears to be limited to R2/R3 and the stage has a relatively high input resistance. [Edited: RM] – Circuit fantasist Dec 23 '21 at 22:07
  • R3 throws away some of the needed supply voltage resulting in a reduced maximum output power. Adding an input resistor does not doo dat. Bootstrapping R2 in figure 2 will increase the AC open loop gain reducing the closed loop distortion and will increase the maximum output power. – Audioguru Dec 23 '21 at 22:36
  • 1
    YALL: There have been several flags on the value of various comments. Lacking the wisdom of Solomon it's about impossible to satisfy everyone. While comments are officially not for extended discussion they ARE a useful place for learning all round. I suggest that at least attempting to educate others in related areas is potentially useful. A point is usually reached where it all gets moved to chat, but it would be good to see more attempts at education. There is a limit :-). || eg The point re why gain is not controlled by R2:R3 is probably worth making. – Russell McMahon Dec 24 '21 at 09:54
  • 1
    @Circuitfantasist if you don't see this then maybe ask a new question about it. It's all about the base node of Q5 becoming quite a low impedance value. I'm not about to go into details in comments. – Andy aka Dec 24 '21 at 10:27
  • 1
    @RussellMcMahon my answer is primarily targeted at the OP - if I get drawn into explaining this or that to all and sundry then it gets out of hand. Having said that I've made a short comment following your comment but, I don't see the question raised in circuit fantasist's comment as proper use here; I'm focussed on answering the OP. If however, someone points out something useful (as per audioguru's first comment) then I will, of course, support it (when relevant). – Andy aka Dec 24 '21 at 10:32
  • 1
    @Andyaka Thanks. Christmas greetings! Christmas just ended here 3 minutes ago, so it has another just under 25 hours to run elsewhere on earth. – Russell McMahon Dec 25 '21 at 11:03
  • @RussellMcMahon Happy xmas Russ – Andy aka Dec 25 '21 at 11:20
4

That biasing regime (Fig.2) is basically a collector feedback common emitter amplifier. You may just as well take the feedback from the collector of Q5 for a more conventional looking approach or connect it to the output to avoid pulling the bias current through R2. This type of collector feedback dc biasing is good for being stable with temperature variations. An increase in temperature reduces Vbe which tries to alter Vc leading to a change in Ib (via the collector feedback resistor) which acts against the initial attempt of Vc to change keeping the dc biasing pretty temperature stable.

The problem with collector feedback dc biasing is that it is highly dependent on the beta (hFE) of the transistor. The dc biasing of a potential divider biased common emitter amplifier is far less dependent on hFE.

In Fig.2 you can calculate Ic from (15-1.4)/1k = 13.6 mA.

13.6 mA through the 220R emitter resistor gives an emitter voltage of of about 3 V above the negative rail and a base voltage of about 3.7 V above the negative rail.

Now you need to know the hFE of Q5 to calculate its base current. Let's assume it has a hFE of 200 giving a base current of 13.6 mA/200 = 68 uA.

Now the base biasing resistor should be sized to have 14.3-3.7 volts across it and 68 uA through it yielding a base bias resistor value of 10.6/68 uA = 155.9k. The 14.3 V results from my suggestion of connecting the feedback resistor to the collector of Q5 which is 0.7 V below 0 V.

For a dual supply amp it is important to keep the dc offset at the output as low as possible to keep the dc current through the loud speaker very low and so to cater for an actually unknown Q5 hFE it would be a good idea to replace R1 with a 22 turn multi-turn trimmer and adjust it for an accurate 0 V output dc bias. For a single supply amplifier the output dc bias is not so critical because it would be blocked by a large output dc blocking (ac coupling) capacitor.

The voltage gain of the circuit in Fig.2 is R2/R3 = 1k/220R = 4.5

A voltage gain of 4.5 means that the ratio of the dc voltage across R2 to the dc voltage across R3 is 4.5 resulting in about 3 V across R3. This limits quite significantly the negative (and as a result the positive) output voltage swing because of transistor saturation and so I would suggest increasing R2 or reducing R3 to increase the gain which will reduce the dc voltage across R3 allowing a larger ac voltage swing at the output. Of course you'd then need to recalculate the value of the base bias resistor or just readjust the pot if one is installed.

A series input capacitor is required to ac couple and prevent the dc level of the input signal from affecting the dc bias levels in the circuit.

  • 1
    Profound explanation... Such a "collector feedback" can be seen also in the circuit of a "rubber Zener diode" and, in a more general form, in an op-amp non-inverting amplifier. Here, in addition, there is an emitter feedback (emitter degeneration). The first thought that came to my mind when Andy added R4 was to replace R1 with a potentiometer... and to rotate its wiper until the output voltage is zeroed (it is impossible to do it only by calculation). [RM: Link added] – Circuit fantasist Dec 24 '21 at 07:05
  • 1
    I don't understand "(it is impossible to do it only by calculation)". It is quasi obvious! I do it mentally ... I did no add R4. (because there is something necessarily before) ... Not a complete amplifier. – Antonio51 Dec 24 '21 at 09:09
  • @Antonio51, Exactly! I completely second your comments below the OP's question... and I have upvoted them. Also, I agree with you that Floyd's Fig. 2 is uncomplete; it is only a conceptual circuit diagram. I have written the remark about calcualation because there are people that think it is possible. IMO if the circuit is well designed, it should not need an adjustment. But obviously this is possible only with op-amp circuits with extremely high gain... – Circuit fantasist Dec 24 '21 at 09:30
  • 2
    You are right @Circuit fantasist, later in his book in op amps chapter Floyd used the same circuit but with an op amp on its input and some slight changes. – Waqas Ahmad Dec 24 '21 at 09:41
  • 1
    @Waqas Ahmad, The most important thing is to see the basic ideas (concepts) in these specific circuit solutions... as they say, "to see the forest behind the trees". If you manage to do that, you will be able to understand many specific implementations and even create new ones... – Circuit fantasist Dec 24 '21 at 09:51
  • 2
    @Circuitfantasist I had a couple of beers last night and then posted late on and so I was quite pleased this morning when I reread my answer and it still seemed to make some sense. :-) –  Dec 24 '21 at 11:33
  • 1
    James, This is another proof that alcohol is the greatest human invention:-) I am glad that there are people here with a sense of humor. – Circuit fantasist Dec 24 '21 at 12:01
3

Imagination is more important than knowledge. A. Einstein.

How do we visualize the circuit operation?

The notion of voltage as height is the most common idea of this electrical quantity (which is why we say "high" and "low" and not "big" and "small" voltage). It originates from the gravitational or "water tower" analogy where the height of a water column is proportional to the potential energy of the water.

According to this approach, we can explain this circuit "geometrically" by imagining voltages as vertical segments (voltage bars) with a height proportional to the voltage value (see the post in my blog).

It is well known that diodes maintain (approximately) constant voltage at their terminals (you can find an intuitive explanation for this phenomenon in another post in my blog). So, the voltage drops across them can be represented by segments of constant length (0.7 units) and, accordingly, the string of three diodes in series - as a segment of three times the length (3 x 7 = 2.1 units). Similarly, the voltages across capacitors can be represented by shock absorbers that become stiff for rapid changes of the input signal (AC). The voltages across resistors can be represented by segments of varying length that change when the current varies.

Investigating the circuit operation

We can go even further by imagining the diode segment as a "rod" of constant length and the resistor segment as a spring of variable length (mechanical analogy). Then, figuratively speaking, we (input voltage source) have three possible ways to control the circuit of this "AB power amplifier":

  1. We can move (pull up and down) both the upper and lower ends of the "rod" (the input voltage variations are applied simultaneously to both bases). This is the idea of Fig. 1 from Floyd's bestseller where the AC input voltage is applied through two capacitors simultaneosly to both bases.

  2. We can move the lower end of the "rod" (the input voltage variations are applied to the lower end of the diode string). This is the idea of Fig. 2 from the book where the input voltage is applied through a booster to the lower end of the diode string.

  3. We can move the middle of the "rod" (the input voltage variations are applied to the middle of the diode string). This beautiful symmetric circuit solution is widely used in op-amp internal structures where the diode string is powered by a current source and the input voltage source "moves" the midpoint of the diode string. I have examined it in detail in another answer of mine. Here is one of the figures that illustrates the case when the input voltage changes to negative.

AB power amplifier - negative input voltage

As can be seen from the figure, it is no less interesting and useful to show the current paths in the diagram (I have considered in detail this visualization technique in another post in my blog). I would also illustrate Fig. 2 this way, with voltage bars and current loops, if there is interest in it.

Circuit fantasist
  • 16,664
  • 1
  • 19
  • 61