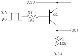
I have an RF switch chip that is controlled by a logic signal with levels of 0 V and -3 V. I want to control this from a CPLD that's producing ordinary +3.3 V CMOS levels.
Board area is at a premium in this design because I'm trying to wedge this in to an existing design.
Power consumption of a few mA or switching time as long as 100 us would not be a problem for this circuit. The RF chip's control input provides only about 10 uA load. Acceptable logic levels are within +/- 0.5 V of the nominal values. I can deal with either an inverting or a non-inverting solution. I have +3.3 and -3.3 V supplies available.
I have a "pretty good" solution to the level translation problem, but I'd like to know if there's a canonical "best" solution for this problem.
Edit
To clarify the output requirements, the output logic high needs to be between -0.4 and +0.6 V. The output logic low needs to be between -3.5 and -2.5 V.


