I knwo when you increase the area of a transistor of a circuit, the power consumption will be increased. I just want to know why is that case?
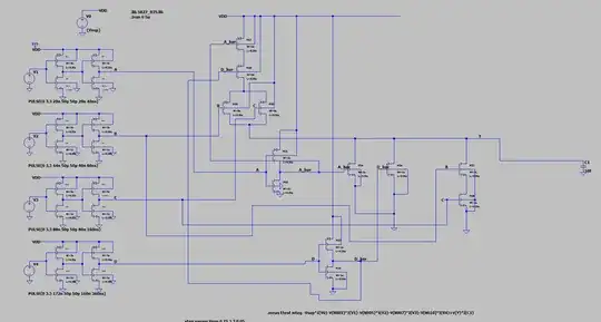
Here is my circuit in spice
I knwo when you increase the area of a transistor of a circuit, the power consumption will be increased. I just want to know why is that case?
Here is my circuit in spice
 
    
    In your circuit there are multiple aspects of power consumption.
Static power consumption from leakage in the transistors. This is dominated by FET subthreshold consumption (VGS==0). This is dependent on W/L, and also for devices that are slightly longer than minimum side, the VTH increases with channel length slightly, but makes a significant impact on the subthreshold leakage.
Crowbar current -- generally not dominant, but this does depend on the W/L of the switching devices, an the switching frequency.
Input gate capacitance -- this presents a load on the driving devices and larger devices will generate a larger (capacitive) load.
