I am doing my first year of engineering and have EE as a compulsory course. My teacher recently gave this question in an exam. He gave me a 5/10. He is not answering anybody's doubts. Can anyone tell me what the right answer is/ where I have gone wrong. I have uploaded the evaluated answer sheets.
-
3Regarding the determination of $R_{th}$, you see a resistance of 2 ohms across terminals c and d: the output resistance cannot be higher than this value and your 8-ohm value is counter intuitive. In your final step, the 6-ohm you've found is in // with the 2-ohm value (add the c and d points across the 2-ohm). For $V_{th}$, I did not go through the details, but I would have used superposition. – Verbal Kint Nov 13 '21 at 08:13
-
1What gave you the impression all 3 resistors are in series across terminals CD? – Mitu Raj Nov 13 '21 at 08:51
-
Aks, the voltage and 6 Ohm resistor convert to 20 A and 6 Ohm Norton. Then 6||3=2. Then 20 A * 2 Ohm = 40 V with 2 + 4 = 6 Thevenin resistance. Two ways now. But one is to convert the current source and the 2 ohm across c-d into Thevenin 12 V and 2 Ohm. So 40 V on one side, 12 V on the other, with 6 Ohm + 2 Ohm in series between. Output will be 40 V - 28 V/8 Ohm * 6 Ohm = 19 V. Another is to take 40 V and 6 Ohm and get Norton 20/3 A and 6 Ohm. Add 6 A to 20/3 A and multiply that by 6 || 2 = 1.5, to get 19 V, again. Many ways. But that avoids simultaneous solutions. – jonk Nov 13 '21 at 10:20
-
@MituRaj I think what OP's thought process when they made the mistake would have been to look at the circuit with all sources removed not from the terminal cd, but from another point. If they probably kept the current source as removed with an open circuit would have lead them to the right conclusion that the 2 ohm resistor is in parallel with the other resistors and not in series. – pseudomonas Nov 13 '21 at 17:35
5 Answers
- 457
- 2
- 5
-
1Very nice, I recognize this is faster and simpler than what I proposed : ) – Verbal Kint Nov 13 '21 at 13:01
You understood that you considered a series connection of the resistors rather than a parallel connection for \$R_{th}\$. When you have a resistance across measurement terminals - your 2-ohm resistance here - the resistance observed between the said terminals can only be less or equal than that resistance, at least in a simple linear circuit like here.
If I had to pass that exam, below is what I would have written:
Determining the resistance from terminals c and d is like determining a small-signal resistance in any linear circuit: set all sources to zero (a 0-V source is a short circuit and a 0-A source is open-circuited) then "look" through the consider terminals and infer the resistance you "see". Very often, inspection works and you can infer the value by associating in your mind the resistance you see. It becomes a bit more complicated with controlled sources but the spirit remains the same.
For the Thévenin value, I like superposition and here, inspection also works without resorting to many lines of algebra as shown in the picture. Determine the voltage when the current source is zeroed and then redo the exercise with the current source is alive while the voltage source is zeroed. The voltage you want is the sum of these intermediate values. I captured a quick SPICE schematic and a Mathcad sheet to verify my results. Of course you don't have access to these during the exam : )
- 21,968
- 1
- 18
- 55
I provided my approach in a short comment shortly after Andy's answer. And while I don't disagree with Andy, the additional two answers I see now elaborate similar approaches.
However, I'm annoyed by one thing, now.
Rule #0 for me is and always will be -- redraw the schematic!
This lack so far is now the only thing forcing me to write.
Preface to Redrawing the Schematic
The first thing I do before attempting to analyze a circuit is to redraw that circuit. The process of just doing it helps me think and gather up a few details that I may not notice so easily, just staring at someone's depiction. But I can often help the readability, too, which improves understanding and reduces chances for mistakes, later.
It takes lots of practice to accumulate a good sense about it. But that practice is well worth your time.
You should also use the built-in schematic editor here. It will add part numbers and this helps to save time and confusion when communicating in comments or in answers.
And finally, keep in mind that you get to call one node "ground." If you select a really convenient one, it can greatly simplify the analysis and reduce chances for mistakes, as well.
(This doesn't always have to be the obvious choice or the one that the writer chose. You can move it to a different location if that helps your analysis.)
For more, see the Addendum at the end, below.
Redrawn Schematic

simulate this circuit – Schematic created using CircuitLab
Note that I've selected d as ground. It shouldn't need much explanation. Doing this allows me to avoid busing wires around that are just "noise" in understanding the circuit, better. It also provides an obvious reference for node c, allowing us to see the desired voltage difference as a "single-ended" value (also reducing mental clutter.)
I also note that node b and c are the same node in the schematic. The added notation explicitly draws the reader, if nothing else does, into realising that the two identifiers may substitute for each other in the analysis text. For some readers, this may be obvious and not worth a moment's time. But for others just learning to read schematics for the first time, it may be helpful.
Successive Application of Thevenin and Norton Conversions
There are two unknown node voltages in the schematic. So a KCL solution will involve the simultaneous solution of two linear equations. But as I indicated in comments, there's no need for using matrices here. That said, I will do the KCL later. For now, I want to focus on rapidly converting the above schematic:

The left-side voltage divider equivalent assumes you know about the Thevenin equivalents for voltage dividers. But this is usually taught as one of the earlier lessons on Thevenin equivalent circuits, so it's a fair assumption for a reader to already possess. I've labeled the resulting simplification as \$V_{_\text{EQ}}\$ and \$R_{_\text{EQ}}\$, above.
The right side Norton-to-Thevenin conversion is also a reasonable assumption for the reader. I've labeled the resulting Thevenin equivalent as \$V_{_\text{TH}}\$ and \$R_{_\text{TH}}\$, above.
This is now a rather much simpler circuit -- just a few known resistances in between two known voltage sources.
We want the node voltage for c. The longer process would be to work out the current and then the voltage drops across each resistor and from there work out \$V_{_\text{C}}\$ by either subtracting drops from \$V_{_\text{EQ}}\$ or else adding a drop from \$V_{_\text{TH}}\$. But the expanded voltage divider equation can also do the trick:
$$V_{_\text{C}}=\frac{V_{_\text{TH}}\cdot \left(R_3+R_{_\text{EQ}}\right)+V_{_\text{EQ}}\cdot R_{_\text{TH}}}{R_3+R_{_\text{EQ}}+R_{_\text{TH}}}=\frac{12\:\text{V}\cdot \left(4\:\Omega+2\:\Omega\right)+40\:\text{V}\cdot 2\:\Omega}{4\:\Omega+2\:\Omega+2\:\Omega}=19\:\text{V}$$
And the equivalent output impedance is found by grounding sources \$V_{_\text{EQ}}\$ and \$V_{_\text{TH}}\$ and then observing the impedance seen by node c, or \$2\:\Omega\mid\mid \left(4\:\Omega+2\:\Omega\right)=1.5\:\Omega\$.
But let's work out the current and do it the longer way. \$\Delta V = V_{_\text{TH}}-V_{_\text{EQ}}= 40\:\text{V}-12\:\text{V}=28\:\text{V}\$, \$R_{_\text{TOTAL}}=4\:\Omega+2\:\Omega+2\:\Omega=8\:\Omega\$, and \$I_{_\text{TOTAL}}=\frac{\Delta V}{R_{_\text{TOTAL}}}=\frac{28\:\text{V}}{8\:\Omega}=3.5\:\text{A}\$.
From that, we can find that \$V_{_\text{C}}=V_{_\text{TH}}+I_{_\text{TOTAL}}\cdot R_{_\text{TH}}=12\:\text{V}+3.5\:\text{A}\cdot 2\:\Omega=19\:\text{V}\$ or else that \$V_{_\text{C}}=V_{_\text{EQ}}-I_{_\text{TOTAL}}\cdot \left(R_3+R_{_\text{EQ}}\right)=40\:\text{V}-3.5\:\text{A}\cdot \left(4\:\Omega+2\:\Omega\right)=19\:\text{V}\$.
KCL
Just to be pedantic, I'll now use SymPy, which is freely available. I won't bother with much explanation at this point, leaving that for the reader to work out.
(I'll add an external current source that we'll use to figure out the impedance.)
var('r1 r2 r3 r4 i1 iz v1 va vc') # declare variables
eq1 = Eq( va/r1 + va/r2 + va/r3, v1/r1 + 0/r2 + vc/r3 )
eq2 = Eq( vc/r3 + vc/r4, va/r3 + i1 + iz )
ans = solve( [ eq1, eq2 ], [ va, vc ] )
for n in ans: n, ans[n].subs( { r1:6, r2:3, r3:4, r4:2, v1:120, i1:6, iz:0 } )
(va, 33)
(vc, 19)
for n in ans: n, ans[n].subs( { r1:6, r2:3, r3:4, r4:2, v1:120, i1:6, iz:1 } )
(va, 67/2)
(vc, 41/2)
Note that when \$I_{_\text{Z}}=0\:\text{A}\$ (no current injection) that \$V_{_\text{C}}=19\:\text{V}\$, as already worked out. And that when we inject a current, \$I_{_\text{Z}}=1\:\text{A}\$, that \$V_{_\text{C}}=20.5\:\text{V}\$. A difference of \$1.5\:\text{V}\$. From that fact and the injected current it is obvious that the impedance must be \$1.5\:\Omega\$.
Redrawing Schematic Addendum
Rules to live by are:
- Arrange the schematic so that conventional current appears to flow from the top towards the bottom of the schematic sheet. I like to imagine this as a kind of curtain (if you prefer a more static concept) or waterfall (if you prefer a more dynamic concept) of charges moving from the top edge down to the bottom edge. This is a kind of flow of energy that doesn't do any useful work by itself, but provides the environment for useful work to get done.
- Arrange the schematic so that signals of interest flow from the left side of the schematic to the right side. Inputs will then generally be on the left, outputs generally will be on the right.
- Do not "bus" power around. In short, if a lead of a component goes to ground or some other voltage rail, do not use a wire to connect it to other component leads that also go to the same rail/ground. Instead, simply show a node name like "Vcc" and stop. Busing power around on a schematic is almost guaranteed to make the schematic less understandable, not more. (There are times when professionals need to communicate something unique about a voltage rail bus to other professionals. So there are exceptions at times to this rule. But when trying to understand a confusing schematic, the situation isn't that one and such an argument "by professionals, to professionals" still fails here. So just don't do it.) This one takes a moment to grasp fully. There is a strong tendency to want to show all of the wires that are involved in soldering up a circuit. Resist that tendency. The idea here is that wires needed to make a circuit can be distracting. And while they may be needed to make the circuit work, they do NOT help you understand the circuit. In fact, they do the exact opposite. So remove such wires and just show connections to the rails and stop.
- Try to organize the schematic around cohesion. It is almost always possible to "tease apart" a schematic so that there are knots of components that are tightly connected, each to another, separated then by only a few wires going to other knots. If you can find these, emphasize them by isolating the knots and focusing on drawing each one in some meaningful way, first. Don't even think about the whole schematic. Just focus on getting each cohesive section "looking right" by itself. Then add in the spare wiring or few components separating these "natural divisions" in the schematic. This will often tend to almost magically find distinct functions that are easier to understand, which then "communicate" with each other via relatively easier to understand connections between them.
- You get to choose exactly one node and call it "ground." If the purpose of redrawing the schematic is for understanding it, then choose a node that helps achieve that. When signals are single-ended, they share a common node and you should select this common node as "ground." If the purpose is for analysis, then you can select this for the purpose of reducing the equation complexity. Often, this will mean the node that is "busiest" (has the most terminals attached to it.) Either way, make this choice wisely and it will help a great deal.
The above rules aren't hard and fast. But if you struggle to follow them, you'll find that it does help a lot.
You can read a snippet of my own education by those schematic draftsmen at Tektronix who trained me by reading here.
- 77,876
- 6
- 77
- 188
-
Redrawing the circuit is fundamental even if you think it doesn't deserve it. The very act of redrawing inflicts on your brain new patterns and solutions. I think you know that about me anyway but it's nice to see someone else attaching such great importance to it and willing to carve the words in stone and blood. – Andy aka Nov 13 '21 at 22:06
-
@Andyaka It goes all the way back to the first moments of my being a young kid learning from popular electronics magazine articles in the late 1960's. Most of the stuff was given as "wiring diagrams." I thought that was all there was. I didn't know better. Then, in a difficult struggle with a relatively simple circuit (the wiring diagram looked simple but I just could not understand it, at all), I decided to try and redraw the schematic. I didn't know about removing useless wiring at the time, so that stayed. But I was able to find a re-arrangement that finally worked a LOT better! – jonk Nov 13 '21 at 23:20
-
@Andyaka That moment of shocked insight, at about 14, caused a sudden behavior change. I started redrawing EVERYTHING I saw. Fast forward -- I'm working at Tek as a software programmer -- and Tek offered me classes in becoming an electronics draftsman. I was very interested because of my hobby interests and jumped at the chance. In the 1st week the teacher pulled me aside. I had learned what he taught and had applied it almost flawlessly. He said he was surprised. It was only because I was so ready for what he said that week. It just fit perfectly for me and I finally had the last pieces. – jonk Nov 13 '21 at 23:29
First, I will present a method that uses Mathematica to solve this problem. I know that this approach is not 'smart' but this method will work all the time, even when the circuit is way complicated than this one. In combination with the other answers, my answer is valuable.
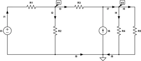
Well, we are trying to analyze the following circuit:

simulate this circuit – Schematic created using CircuitLab
When we use and apply KCL, we can write the following set of equations:
$$ \begin{cases} \text{I}_1=\text{I}_2+\text{I}_3\\ \\ \text{I}_7=\text{I}_3+\text{I}_6\\ \\ \text{I}_7=\text{I}_4+\text{I}_5\\ \\ \text{I}_8=\text{I}_4+\text{I}_5\\ \\ \text{I}_6=\text{I}_8+\text{I}_9\\ \\ \text{I}_2=\text{I}_1+\text{I}_9 \end{cases}\tag1 $$
When we use and apply Ohm's law, we can write the following set of equations:
$$ \begin{cases} \text{I}_1=\frac{\text{V}_\text{i}-\text{V}_1}{\text{R}_1}\\ \\ \text{I}_2=\frac{\text{V}_1}{\text{R}_2}\\ \\ \text{I}_3=\frac{\text{V}_1-\text{V}_2}{\text{R}_3}\\ \\ \text{I}_4=\frac{\text{V}_2}{\text{R}_4}\\ \\ \text{I}_5=\frac{\text{V}_2}{\text{R}_5} \end{cases}\tag2 $$
Now, we can set up a Mathematica-code to solve for all the voltages and currents:
In[1]:=Clear["Global`*"];
FullSimplify[
Solve[{I1 == I2 + I3, I7 == I3 + I6, I7 == I4 + I5, I8 == I4 + I5,
I6 == I8 + I9, I2 == I1 + I9, I1 == (Vi - V1)/R1, I2 == V1/R2,
I3 == (V1 - V2)/R3, I4 == V2/R4, I5 == V2/R5}, {I1, I2, I3, I4, I5,
I7, I8, I9, V1, V2}]]
Out[1]={{I1 -> (-I6 R2 R4 R5 + (R2 + R3) R4 Vi + (R2 + R3 + R4) R5 Vi)/(
R2 R3 R4 + R1 (R2 + R3) R4 + R2 (R3 + R4) R5 +
R1 (R2 + R3 + R4) R5),
I2 -> (I6 R1 R4 R5 + R4 R5 Vi + R3 (R4 + R5) Vi)/(
R2 R3 R4 + R1 (R2 + R3) R4 + R2 (R3 + R4) R5 +
R1 (R2 + R3 + R4) R5),
I3 -> (-I6 (R1 + R2) R4 R5 + R2 (R4 + R5) Vi)/(
R2 R3 R4 + R1 (R2 + R3) R4 + R2 (R3 + R4) R5 +
R1 (R2 + R3 + R4) R5),
I4 -> (R5 (I6 R1 R2 + I6 (R1 + R2) R3 + R2 Vi))/(
R2 R3 R4 + R1 (R2 + R3) R4 + R2 (R3 + R4) R5 +
R1 (R2 + R3 + R4) R5),
I5 -> (R4 (I6 R1 R2 + I6 (R1 + R2) R3 + R2 Vi))/(
R2 R3 R4 + R1 (R2 + R3) R4 + R2 (R3 + R4) R5 +
R1 (R2 + R3 + R4) R5),
I7 -> ((R4 + R5) (I6 R1 R2 + I6 (R1 + R2) R3 + R2 Vi))/(
R2 R3 R4 + R1 (R2 + R3) R4 + R2 (R3 + R4) R5 +
R1 (R2 + R3 + R4) R5),
I8 -> ((R4 + R5) (I6 R1 R2 + I6 (R1 + R2) R3 + R2 Vi))/(
R2 R3 R4 + R1 (R2 + R3) R4 + R2 (R3 + R4) R5 +
R1 (R2 + R3 + R4) R5),
I9 -> (I6 (R1 + R2) R4 R5 - R2 (R4 + R5) Vi)/(
R2 R3 R4 + R1 (R2 + R3) R4 + R2 (R3 + R4) R5 +
R1 (R2 + R3 + R4) R5),
V1 -> (R2 (I6 R1 R4 R5 + R4 R5 Vi + R3 (R4 + R5) Vi))/(
R2 R3 R4 + R1 (R2 + R3) R4 + R2 (R3 + R4) R5 +
R1 (R2 + R3 + R4) R5),
V2 -> (R4 R5 (I6 R1 R2 + I6 (R1 + R2) R3 + R2 Vi))/(
R2 R3 R4 + R1 (R2 + R3) R4 + R2 (R3 + R4) R5 +
R1 (R2 + R3 + R4) R5)}}
Now, we can find:
- \$\text{V}_\text{th}\$ we get by finding \$\text{V}_2\$ and letting \$\text{R}_5\to\infty\$: $$\text{V}_\text{th}=\frac{\text{R}_4\left(\text{I}_6\left(\text{R}_1\text{R}_2+\text{R}_3\left(\text{R}_1+\text{R}_2\right)\right)+\text{V}_\text{i}\text{R}_2\right)}{\text{R}_1\left(\text{R}_2+\text{R}_3+\text{R}_4\right)+\text{R}_2\left(\text{R}_3+\text{R}_4\right)}\tag3$$
- \$\text{I}_\text{th}\$ we get by finding \$\text{I}_5\$ and letting \$\text{R}_5\to0\$: $$\text{I}_\text{th}=\text{I}_6+\frac{\text{V}_\text{i}\text{R}_2}{\text{R}_1\left(\text{R}_2+\text{R}_3\right)+\text{R}_2\text{R}_3}\tag4$$
- \$\text{R}_\text{th}\$ we get by finding: $$\text{R}_\text{th}=\frac{\text{V}_\text{th}}{\text{I}_\text{th}}=\frac{\text{R}_4\left(\text{R}_1\left(\text{R}_2+\text{R}_3\right)+\text{R}_2\text{R}_3\right)}{\text{R}_1\left(\text{R}_2+\text{R}_3+\text{R}_4\right)+\text{R}_2\left(\text{R}_3+\text{R}_4\right)}\tag5$$
Where I used the following Mathematica-codes:
In[2]:=FullSimplify[
Limit[(R4 R5 (I6 R1 R2 + I6 (R1 + R2) R3 + R2 Vi))/(
R2 R3 R4 + R1 (R2 + R3) R4 + R2 (R3 + R4) R5 +
R1 (R2 + R3 + R4) R5), R5 -> Infinity]]
Out[2]=(R4 (I6 R1 R2 + I6 (R1 + R2) R3 + R2 Vi))/(
R2 (R3 + R4) + R1 (R2 + R3 + R4))
In[3]:=FullSimplify[
Limit[(R4 (I6 R1 R2 + I6 (R1 + R2) R3 + R2 Vi))/(
R2 R3 R4 + R1 (R2 + R3) R4 + R2 (R3 + R4) R5 +
R1 (R2 + R3 + R4) R5), R5 -> 0]]
Out[3]=I6 + (R2 Vi)/(R2 R3 + R1 (R2 + R3))
In[4]:=FullSimplify[%2/%3]
Out[4]=((R2 R3 + R1 (R2 + R3)) R4)/(R2 (R3 + R4) + R1 (R2 + R3 + R4))
So, using your values we get:
- $$\text{V}_\text{th}=19\space\text{V}\tag6$$
- $$\text{I}_\text{th}=\frac{38}{3}\approx12.6667\space\text{A}\tag7$$
- $$\text{R}_\text{th}=\frac{3}{2}=1.5\space\Omega\tag8$$
- 7,790
- 12
- 21







