I'm trying to make a radio controlled plane using ESP-01 as the receiver. The communication protocol I'm using is esp-now by espressif. When I plug in the ESP-01 and the motor at the same time, the transmitter returns that the delivery failed. However, when I plug in the esp-01 first, then the motor, it works fine.
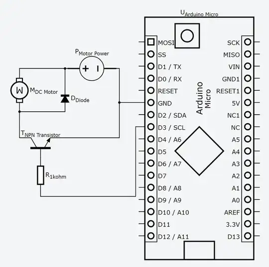
Here's my schematic:
BTW I used an arduino instead of an ESP-01.
Can someone explain why this happens and are there any solutions to it?
