I'm reading Electronics for Dummies. So far it's great for a complete beginner, however, I've come to a chapter about transistors and either I've missed something or there's a sudden jump in complexity.
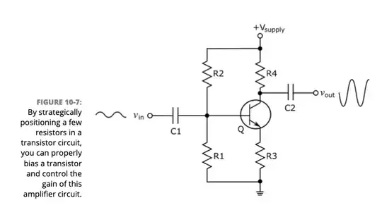
In the circuit below:
- Why is Vout connected (via C2) to the collector of the transistor and not the emitter? My understanding is the current would flow from the collector, to the emitter, amplifying the signal that's come through the base. In this case, it seems like it would just pick up the current from +VSupply through R4.
- What's the purpose of R1 and R3? It looks like these go to ground, which in this case, I assume would be the negative terminal of the battery. I understand they affect the current of the whole circuit and that the current doesn't just "slow down" going through a resistor, but why are they there before ground? Is it for convenience and they could go somewhere else?
- I don't understand what happens at the junction connecting R2, R1 and C1 to the base of the transistor. At this point, I assume current is flowing from +Vsupply, but there's also a tiny current flowing through C1 from vin - so what happens when these two currents meet? I think maybe I'm confusing current as a result of voltage and as opposed to an electrical "signal".
- Also on the subject of that junction, why doesn't the current caused by the voltage of +Vsupply flow the wrong way into C1? Is it because the current is trying to "find" ground and so goes to the most direct path?

You can take the output from emitter also, it is not inverted like collector signal is (advantage). But R3 is ussually designed smaller than R4 so smaller voltage appears on it. You can design it larger if you want but you get smaller gain.
R3 is not necessary, it is used as emitter degeneration, as I mention it reduce gain. It makes some kind of negative feedback to the base, so if the Beta (biasing) changes it reduce an error at the output.