Hi ladies and gentlemen,
I am new to Mosfets and I could use some help!
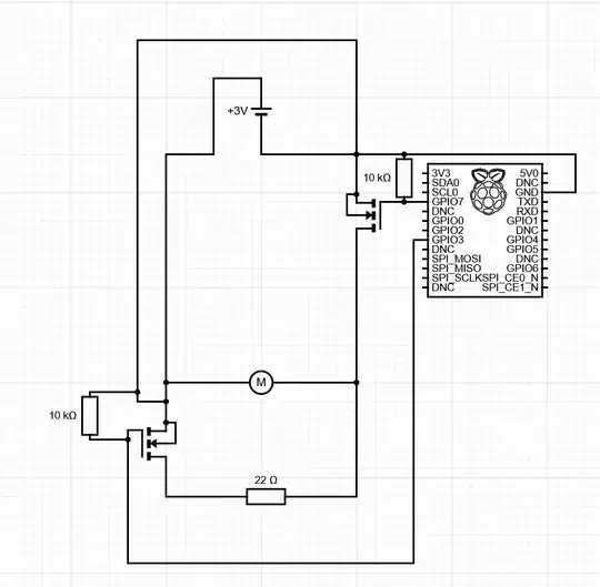
I want to make a circuit where a DC motor is used as a motor and as a generator. I would like to use PWM to control in motor mode and in generator mode using N-channel Mosfets.
I have made the following circuit:

This circuit is obviously shorted out, but I cannot figure out how to have both functionalities while not being short-circuited.
When the motor is used as a generator, the left wire of the motor is negative and right one positive in the picture (for the bottom mosfet).
I have tested the circuits separately as motor and as generator and they work, just not together.
Any thoughts? Thanks in advance! Here is a link to the diagram: https://crcit.net/c/7e69a5c214f649c3b7b92a090ad6ff37

