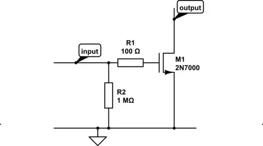
As I was learning about MOSFETS today, I noticed that nearly every circuit diagram with a MOSFET features a large pulldown resistor placed in parallel to the transistor.
For example, in this picture we can observe that a extremely large, 1 Mega Ohm resistor is placed parallel to our mosfet. While I understand that this resistor exists to primarily ground out any floating charges on the wire, I don't quite understand why the resistor is usually so large. Why doesn't a small pulldown resistor satisfy the issue of grounding floating values?

 
    