I'm trying to implement the circuit shown in the schematic below (not complete, just for reference,) where the idea is to turn on only one LED at a time -hence the ADG1406- with a frequency of about 1kHz.
The characteristic of the circuit, which I try to make evident with the color gradient, is the high resistance of the traces, where green is a low resistance (15Ω) and red high (250Ω.) Because of that, I decided to implement a current sink (TLC5947) to keep the brightness constant along the whole matrix.
Using the TLV61048 (boost converter) a voltage of 14V is defined with a maximum current of 300mA, for my application, the LEDs require a current of 10mA.
Now, my question is.
With the implementation of the TLC5947 is the supplied voltage (14V) going to be adapted according to the conditions of each LED plus keeping the current constant following more or less this equation
$$V=R\times I_{LED}+V_{LED}$$
or in the case of implementing a current sink, must the voltage supply be different?
There must be a working principle/theory that I'm not getting.
EDIT: I'm aware that the current set resistor (R_{IREF}) is missing, the main point of the question is to clarify the behavior of the voltage across the matrix given a current sink.
Also, the high trace resistance is given by the really small cross-section of the copper.
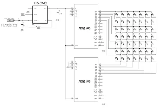
Second approach
The difference with respect to the first approach is, as proposed in the comments, change the TLC5947 for another ADG1406 (yeah, expensive IC) and the voltage regulator was also changed by a single-channel LED driver, the TPS92612.
Note: there is a mistake in the schematic, the VDD of both ADG shouldn't be connected to the output of the LED driver.


Another ADG1406 plus a resistance in the D port IMO wouldn't define a constant current along all LEDs since, as I also said, there is a big difference in trace resistance between one LED and another.
– Smart_Celery Feb 05 '21 at 11:27An alternative to the TLC5947 might be the TLC5923.
– Smart_Celery Feb 05 '21 at 11:34