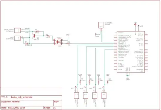
I am currently learning how to use EAGLE. My end-goal is to have a simple PCB printed in China for a project that I am working on. Since I don't have experience in designing schematics, what would be some design considerations that are considered "best practice" that I did not follow in my schematic?
In my design, the 22-04-1021 components are molex connectors, which I intend to solder onto the PCB to connect 4 force sensitive resistors (FSR1-4), a spring-applied brake (BRK), a signal wire and GND going to a different device (SIGNAL), and the 24V power for the brake. This leads me to two questions:
Is it correct to have the connectors in the schematic like this, considering that once I create the layout, that's where I would need the component's dimensions to create holes for soldering?
How should I manage the 24V connection and the associated GND? As I have an opto-coupler separating the microprocessor from the different voltage circuit, I cannot use the same GND symbol to connect the 24V grounds together. So I just connected the directly as there aren't too many of them. To keep track of which of the two wires is supposed to be GND and 24V, I created a label for them, but that doesn't feel quite right.
Lastly, I intend to power the microprocessor using a seperate 5V power source rather than using the power from the USB. I hope that I chose the correct symbols in my schematic.
