I've never used Arduino before, so I'd be really grateful if any errors in the following circuit could be pointed out to me:

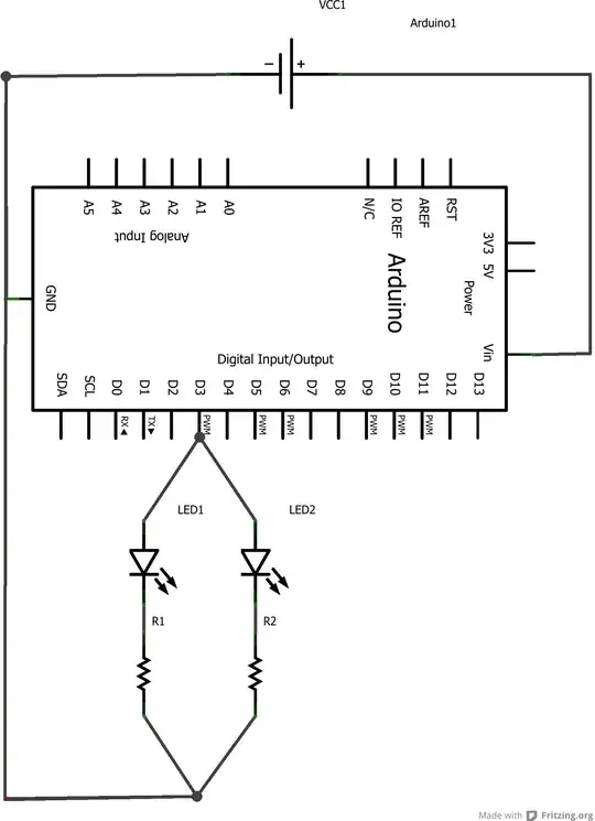
As far as I understand it, I have two super-bright LEDs connected in parallel each with their own resistor. I've connected these to one of the digital pins which I think can give 5V each. The resistors are 100 ohms for these LEDs (these green ones)?
In terms of the power setup, I have a 9V battery with the positive terminal connected to Vin power pin and the negative to the Gnd power pin which I think powers the board. The wire after the resistors then goes to the Gnd pin on the other side of the board with the digital pins:

As a side note, if I am powering the board with a 9V battery, can I only set one pin to high (5V)?
Is this the most effective way to construct this circuit?
