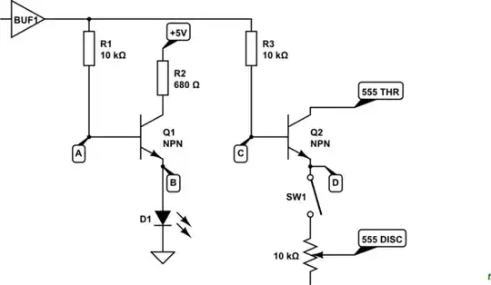
I've found a schematic online for an 8 step sequencer and built it on a breadboard. Before I start experimenting with it and adding features, I'd like to find out if both 10k resistors are needed for each NPN transistor pair.
As you can see, each output pin of the 4017 decade counter is split to two 10k resistors, each driving one NPN transistor (one for the tone output, one for an LED indicator).
My thought is that I could use a single 10k resistor connected to the output pin, after which the connection would split to the tone and the indicator.
Am I correct? If not, then I would really like to know the reason for the additional resistors.
Thanks!


