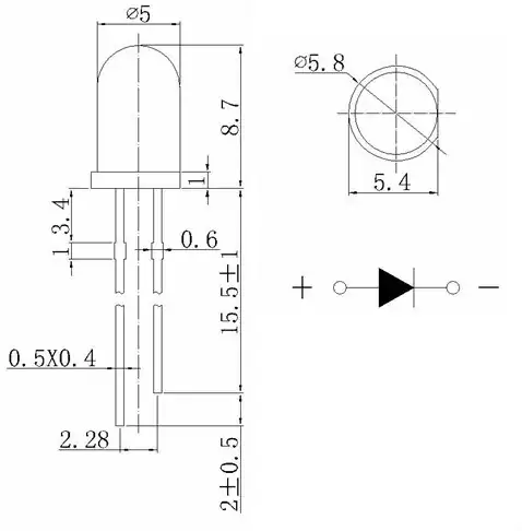
A lot (if not most) LEDs have some kind of small thickenings on their legs. Sometimes they are almost as wide as the leg itself and barely visible, sometimes they are twice as wide and instantly noticeable.
When present they seem to be the same on all legs, so I doubt they are used to indicate anode or cathode. The only explanations that come to mind are:
They are a manufacturing by-product, possibly a place for holding LEDs during manufacture.
They are designed to provide a bigger soldering surface.
Here's an image that shows them on both legs (sized 1 x 0.6mm):
They might not be specific to LEDs alone, but are commonly seen on them.


