The official name is Pick and Place Pad. While this can refer to hard parts added to bigger or irregular shaped parts for pick and place, it also refers to the tape used for picking.
The tape a high heat, non-conductive tape, used for pick and place machine tips to suck onto to place the connector on a board. It may be Kapton, a name brand Polyimide tape, or may be an alternative brand and type tape. Others use Mylar for example. It just needs to survive movement and typical wave soldering or other automated SMD soldering solutions.
From a manufacturer data sheet: https://www.te.com/commerce/DocumentDelivery/DDEController?Action=srchrtrv&DocNm=1-1773973-2_Mini_USB_Connectors&DocType=DS&DocLang=EN

For another one, Mylar tape specifically.
http://www.assmann-wsw.com/fileadmin/datasheets/ASS_1456D_CO.pdf

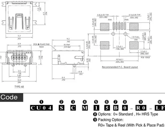
And another: http://www.elstore.it/wp-content/uploads/prodattach/CU04SCM15B0-R0-LF.pdf

It's not intended or required to be removed, as it neither affects the part or usage.
Molex added them onto larger parts since manufacturers/assemblers have moved away from older pick and place mechanical grippers to vacuum pickers. They specifically use Kapton brand tape, cause you know, Molex is big business:
“By adding a Kapton tape surface to the top side of the connector, the Vertical SMT Modular Jacks from Molex can be picked and placed by vacuum heads, delivering a faster, more cost-effective method which is in line with other SMT components in the assembly process.”
https://www.businesswire.com/news/home/20141202005123/en/Vertical-SMT-Modular-Jacks-Molex-Kapton-Tape
And you don't even need straight from the factory parts with this pad on them. This can be added on after the fact, by using tape dots. Great for automating a process. https://smtnet.com/Forums/index.cfm?fuseaction=view_thread&Thread_ID=17372
Issue: A PCB assembly company found themselves with thousands of SMT connectors in inventory, on reels, ready to place. But their pick-and-place equipment was unable to pick them up because of gaps and irregular features on the tops of the connectors.
Solution: NuWay was able to open the carrier tape, apply an adhesive Kapton pad to the top of each part, re-seal the carrier, and rewind the reels. The adhesive pads were circles and rectangles kept in stock at NuWay for just this purpose. The turnaround was fast, and helped the customer make use of thousands of dollars of otherwise unusable connectors.
https://www.nuway.net/solutions
(2) Cellophane - Wikipedia https://en.wikipedia.org/wiki/Cellophane.
– tlfong01 Aug 19 '20 at 01:17