I have a circuit as follows,

simulate this circuit – Schematic created using CircuitLab
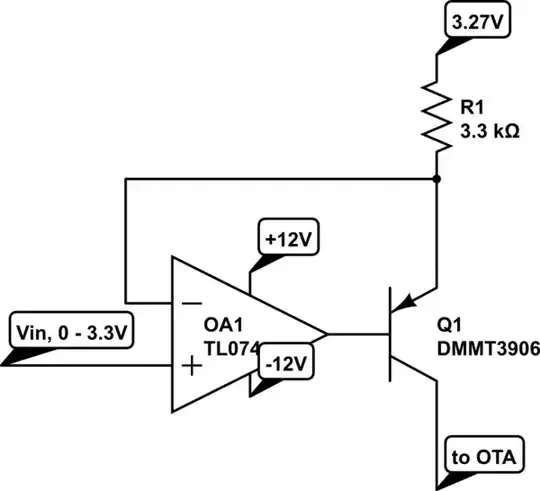
which provides a control current to an OTA as \$i_\mathrm{abc} = (3.27\mathrm{V} - V_\mathrm{in})/R1\$. The reason for the reference voltage being 3.27V is that I want to make sure I can completely turn off the OTA, even after accounting for various offsets. Of course, the problem here is that when \$V_\mathrm{in} > 3.27\mathrm{V}\$, the op-amp tries to push current in the reverse direction, which it can't do, and therefore saturates at around 11.5V. In this case, the BJT has about 8.5V of reverse voltage, which is in excess of the datasheet absolute maximum reverse voltage of 5V.
There's of course the standard solution of throwing in a diode in the reverse direction to protect the BJT and satisfy the op-amp, but as the board has already been routed and prototyped without the diode and it's really cramped, avoiding the diodes would be really nice. The board does work at least this far, so the transistor does not fail immediately (or in about half a year time span).
So my question is: considering that I'm breaking the absolute maximums here, what is the danger of the transistor actually breaking/degrading significantly? Note that even if it goes to reverse breakdown, the reverse current will be at most about \$0.03V/3.3k\Omega \approx 9\mu \mathrm{A}\$, i.e. the power will be correspondingly small. Measured from the prototype, the actual values are \$4\mu \mathrm{A}\$ and \$33\mu\mathrm{W}\$. The product will be manufactured in quantities of some hundreds of pieces, and there's 10 circuit blocks such as above per board, so lifetime failure probabilities on the order of one in a few thousand are likely to manifest themselves.