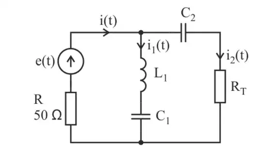
I have all the parameters: L1=110 uH
C1=160 nF
C2=5 nF
Rt=1.2 kΩ
ω1=45290 rad/s
ω2=162089 rad/s
ω3=238366 rad/s
ω4=276982 rad/s
But I dont understand how to calculate the voltage source. I have this formula for it:
So my job is to calculate \$ i_{2}^1 \$ in harmonic \$w_{1}\$, \$ i_{2}^2 \$ in harmonic \$w_{2}\$,
\$ i_{2}^3 \$ in harmonic \$w_{3}\$, \$ i_{2}^4 \$ in harmonic \$w_{4}\$.
QUESTION: I don't get how to calculate this voltage source. I'm not sure how to replace sin(wt), what's the the time(t)?
