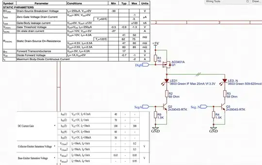
I've got some common anode 7 Segment displays that I want to use a Maxim 7219 IC to drive with. The Max7219 is designed for direct driving common cathode displays but Maxim do have an app note that describes using the chip to drive higher current and/or voltage 7 segment displays as long as they are in a common anode configuration. In my case I want common anode, but at regular voltage/current levels.
The led's are fairly typical, 25mA max current, 3.3Vf, and I intend to drive everything from a 5V supply voltage.
I am not really sure what I should be looking for in the transistors though? I went for these two
as they seem to be able to handle the relatively small currents and voltages involved, and seemed to be quite cheap. My proposed circuit is below. Does this seem like a good choice?
