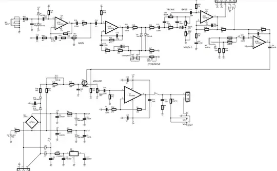
Where is the 5V going from the 7805 regulator in this guitar amplifier schematic?
This comes across to me as a dead end part of the circuit.
I know the grounds are all linked but I am still struggling to work out what the purpose of this voltage regulator is and where the 5V is elsewhere in the circuit.

