It's common to find SD card connected to MCU via pull-up resistors, like in the schematics above:
Recently I have read that newer SD card to achieve high write/read speeds needs to have sharps edges which, are not achievable with pull-up resistors.
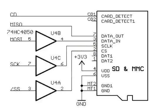
This is the reason why some manufacturer started to avoid them and are using other methods (like HEX buffer: https://www.adafruit.com/product/254 datasheet of the buffer)

But I have also read of MOSFET used for the same reason.
My MCU is 3.3V and can run the SPI at 80MHz maximum. Right now I am making a PCB (hobby project), what do you suggest me to do?
- Resistors
- HEX buffer
- Others?
This is my PCB right now:
I could have a better routing moving the SD socket in the bottom of the board, but at the same time I would rather to keep all the components on one side
Revision #1 based on @hacktastical suggestion, plus I have added a 22uF tantalum capacitor.
Now the MOSI track length is 34mm.
Better? Other improvements?

