I was looking for a similar solution to this question:
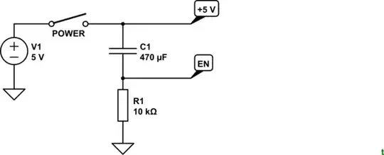
I want to generate a pulse (high) of 2 seconds when that DC supply is turned ON.
Is there a solution where we can implement this without using any microcontroller, timer IC or any delay IC? The circuit can contain resistors, capacitors, transistors or diodes etc.
The last answer was my approach, but this does not discharge the circuit when the power supply is taken away. So it only works once.
Is there an easy way to have the capacitor discharged (in less than 1 second) when the 'POWER' switch is opened again?
And with easy I mean with less components than this answer, which uses 8 resistors, a single capacitor and 4 transistors.
EDIT
The goal is to power a DC motor for maximum 2 - 10 seconds (adjustable with potmeter) every time the power is turned on. If the power gets turned off the motor will also stop running.
The actual load will be a 5W DC motor, but this will be done by using another transistor or mosfet.
Timing diagram:
__________ __ ______
Power ____| |_____| |__| |_______
____ __ ____
Motor ____| |___________| |__| |_________
<--> = 2 s
EDIT
I edited the restrictions in the title because timer IC is being considered.




Thanks for your comment. @anrieff
– Egon Apr 02 '20 at 16:40