The idea with a schematic is to show the schema of the design. It should read from left to right and, where possible, with the higher voltages at the top. This way signals will generally progress from left to right and current from top to bottom.

simulate this circuit – Schematic created using CircuitLab
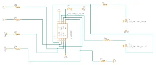
Figure 1. The OP's schematic redrawn.
- Now it becomes clear that OA1 and OA2 are being used as a comparators. How? Because there is no feedback resistor around either.
- We can also easily see that the voltage at A will be half-supply because R1 and R3 are equal values. That is our reference for OA1.
It's also clear that R2 and R8 form a second potential divider. The voltage at B will be given by \$ V_B = \frac {R8}{R8+R2} \$. Therefore the switching point will be when \$ V_A = V_B \$ which occurs when \$ \frac {R8}{R8+R2} = \frac 1 2\$. You can work that out.
You have a second reference point for C so you can work out the switching threshold for that too.
I think you are correct for your 37°C calculation. I didn't work out the other.
The circuit is a little unusual in that D2 gets its current from OA2 and sinks it into OA1. This has the problem that when OA1 is output high and OA2 is output low that D2 is reverse biased. It's a good idea to keep the LED reverse voltage to less than 5 V or it may be destroyed. Try grounding it in the same way as D1 instead.

simulate this circuit
Figure 2. Using transistor drivers to work on 3 V supply.