I have one trigger which is a 200 ns pulse and a clock with 12.5 ns width and 50% duty cycle.
I have made 8 pulse each 5 V and 12.5 ns width.
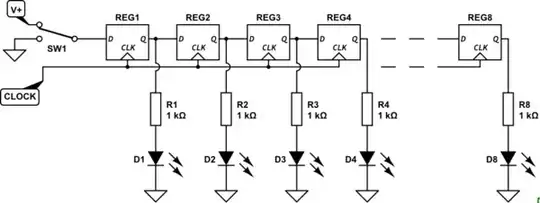
I need to turn each LED for each of my pulse so when first pulse comes the first LED turns on and the second LED will turn on when the second pulse comes but the first LED will remain on.
I want to use some transistor but I cant make it works. i can use FF but not IC.
edit: i need to turn on the leds each at time and make them stay on until at any time i get new trigger and then they will turn off and will turn on each at time again. i just need take my 8 pulses and every pulse will turn on one led at time and keep them works until next trigger. in the question they said transistor can help. i know FF can be usefull here. Timing diagram.
_ _ _ _ _ _ _ _ _ _ _
Pulse ___| |_| |_| |_| |_| |_| |_| |_| |_____.....__| |_| |_| |...
__________________________________________ ________
LED 0 ___| |_| ...
______________________________________ ____...
LED 1 _______| |_____|
__________________________________ ...
LED 2 ___________| |__________|
