0

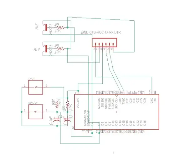
first question and first circuit ever, i designed a custom esp32 board and used the esp32 worver for its big capacity and the IB version for it's already soldered ipex connector. so i tried adding an auto program circuit in the v2 pcb but was never able to make it work unfortunately here's the circuit in the photo i understand that it's not very well arragned but the auto program circuit is supposed to be very simple, any help would be appreciated thanks enter image description here EDIT 1: added a simplified version with only the auto program circuit and reset/boot buttons, the autoprogram circuit is based off espressif schematics

  • Welcome to EE.SE. Please try to draw it better.. what is your specific question? – User323693 Jan 29 '20 at 03:11
  • thanks ! i hope this is better now, every time i try to program the esp32 without pressing the buttons it times out even though i have the required auto program circuit as per espressif schematics can you spot something wrong with this circuit compared to this https://dl.espressif.com/dl/schematics/ESP32-Core-Board-V2_sch.pdf thanks ! – Gibran Zawahra Jan 29 '20 at 13:33
  • What is your VCC? What is connected on the other side of the 6 pin connector? – User323693 Jan 29 '20 at 15:01
  • thanks for the quick response, vcc is 3v3 volts coming from an ftdi adapter, i am sorry that i have to forget that i am using a generic ftdi adapter. i have just noticed that i wrongly assumedthat cts is the same as rts which is not the case to program it i need dtr and rts whereas i've using cts, so this appears to be working now, should just delete my question or keep it for reference ? thanks – Gibran Zawahra Jan 29 '20 at 15:55
  • Please try to clearly state your solution you found.. the mistake you had made. Answer your question yourself. It might help somebody one day. – User323693 Jan 29 '20 at 16:09
  • As a suggestion.. https://electronics.stackexchange.com/questions/28251/rules-and-guidelines-for-drawing-good-schematics – User323693 Jan 29 '20 at 16:37
  • Thank you very much for the suggestion my schematic clearly suffers from a lot of the mistakes mentioned in that thread next I'll stick to those as guidelines thanks! – Gibran Zawahra Jan 31 '20 at 23:03

1 Answers1

0

I was a complete idiot here because I work a bit too late and didn't notice that I was using the cts (clear to send) pin on a standard cheap ftdi module instead of the rts (ready to send) pin, since all the pins were in line on the module I thought that it was logical that rts would be placed instead of cts, I only noticed my mistake after I used an oscilloscope and noticed that the correct example signal wasn't what I was receiving on the "rts" pin side of the circuit and by chance I saw a definition stating the definition and differences between these two pins when I connected it correctly it worked instantly without any more hassle. So weeks of pulling my hair out for a stupid mistake on the easy side of things as usual thanks a lot for taking the time to post answers and push past my horrible schematics, I will try to make my schematics better next time!